Запчасти Case CX210BLR (02-07) - RADIATOR ASSY (02) - ENGINE

Схема запчастей Case CX210BLR - (02-07) - RADIATOR ASSY (02) - ENGINE
27
32
46
20
24
16
28
18
12
42
4
50
10
39
51
9
37
13
11
45
3
33
52
14
17
36
34
35
31
44
8
15
48
43
7
23
41
6
47
19
5
2
49
1
38
26
30
40
21
22
25
29
FIT
1:1
100%

Артикул

Название

Примечание

Количество

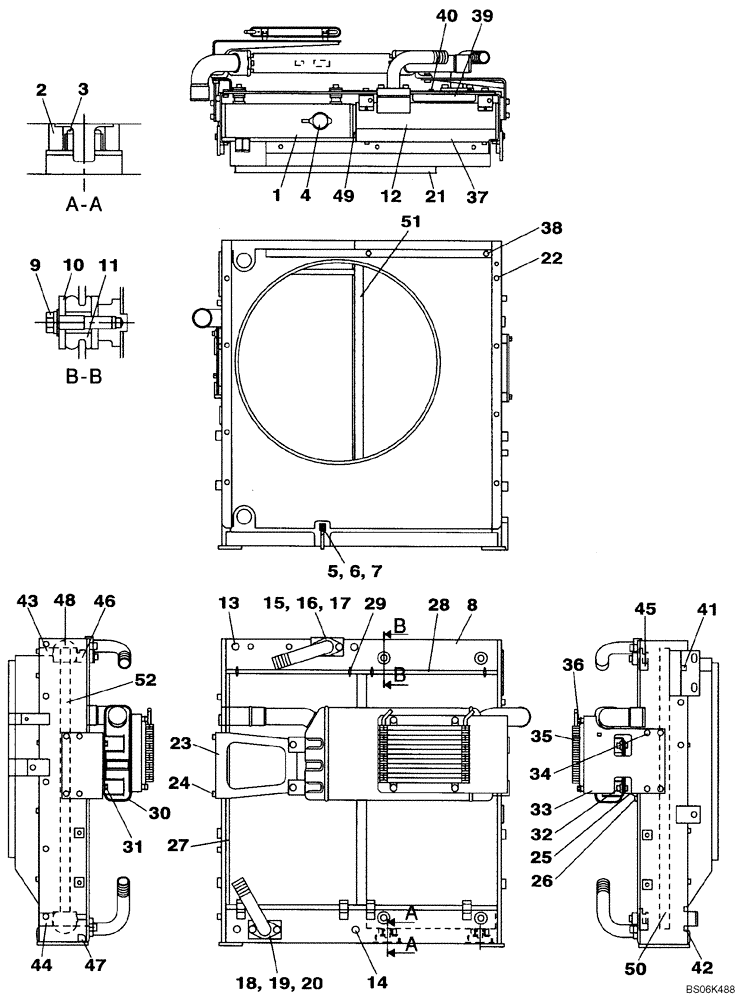
KRH10810

RADIATOR

Incl. 1 - 52

1шт.

1

LN001790

RADIATOR

1шт.

2

LG005900

SILENTBLOC

2шт.

3

LG005620

SILENTBLOC

2шт.

4

TR00521

RADIATOR CAP

1шт.

5

156602A1

COCK

1шт.

6

LK005540

PLUG

1шт.

7

LA00804

CLIP

1шт.

8

LT001610

FRAME

1шт.

9

LA010480

BOLT

4шт.

10

LA010490

WASHER

8шт.

11

LG005630

SILENTBLOC

4шт.

12

LN001800

OIL COOLER

1шт.

13

LA00792

BOLT

2шт.

14

LA00792

BOLT

2шт.

15

LR014840

PIPE

1шт.

16

LE013660

O-RING

1шт.

17

LA010890

BOLT

2шт.

18

LR014850

PIPE

1шт.

19

LE013660

O-RING

1шт.

20

LA010890

BOLT

2шт.

21

LW005400

SHROUD

Replaces LW005010

1шт.

22

LA00677

BOLT,Spcl

8шт.

23

LS003210

BRACKET

1шт.

24

LA00781

BOLT

4шт.

25

LS003220

BRACKET

1шт.

26

LA00781

BOLT

2шт.

27

LG005970

RADIATOR GRILLE

1шт.

28

LG005980

RADIATOR GRILLE

1шт.

29

156606A1

BOLT,Wing, M6

4шт.

30

LN001810

INTERCOOLER

1шт.

31

LA00781

BOLT

2шт.

32

LA010500

BOLT

2шт.

33

LS003230

BRACKET

1шт.

34

LA00781

BOLT

4шт.

35

LN001760

FUEL COOLER

1шт.

36

LA00677

BOLT,Spcl

4шт.

37

LS003240

BRACKET

1шт.

38

LA00677

BOLT,Spcl

2шт.

39

LS003250

BRACKET

1шт.

40

LA00677

BOLT,Spcl

2шт.

41

LE013670

SEAL PROTECTION

1шт.

42

LE013680

SEAL PROTECTION

1шт.

43

LE013690

SEAL PROTECTION

1шт.

44

LE013700

SEAL PROTECTION

1шт.

45

LE013710

SEAL PROTECTION

2шт.

46

LE013720

SEAL PROTECTION

1шт.

47

LE013730

SEAL PROTECTION

1шт.

48

LE013680

SEAL PROTECTION

2шт.

49

LE013740

SEAL PROTECTION

2шт.

50

LE013750

SEAL PROTECTION

1шт.

51

LE013760

SEAL PROTECTION

1шт.

52

LE013770

SEAL PROTECTION

1шт.

Выбрано товаров: 53