Запчасти Case CX210BNLC (02-02) - ENGINE OIL SUPPLY LINES (02) - ENGINE

Схема запчастей Case CX210BNLC - (02-02) - ENGINE OIL SUPPLY LINES (02) - ENGINE
43
28
41
29
11
13
4
41
31
3
33
42
31
32
33
29
28
6
32
44
12
FIT
1:1
100%

Артикул

Название

Примечание

Количество

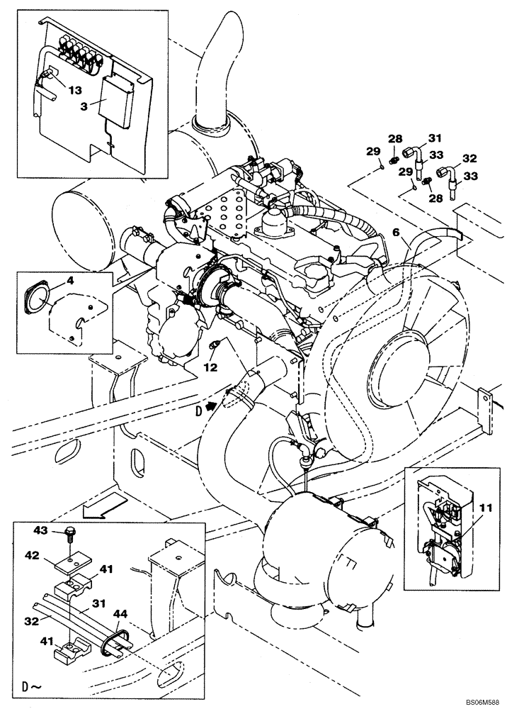
3

REF

INSTRUCTION

Controller; See Figure 04-13

1шт.

4

167996A1

GASKET

Replaces KRH10570

1шт.

6

KRH10740

WIRE HARNESS

1шт.

11

150070A1

RELAY

1шт.

12

KHH0535

SENSOR

1шт.

13

KHH0536

SENSOR

1шт.

28

151654A1

HYD CONNECTOR,3/4" NPT O-Ring x 3/4" NPT

Incl. 29

2шт.

29

154503A1

O-RING

1шт.

31

KRH11420

HYDRAULIC HOSE

1180 mm (46-7/16 in)

1шт.

32

KRH10330

HYDRAULIC HOSE,19.00 mm ID x 1350.00 mm

1шт.

33

157862A1

PLASTIC-RUBBER TUBE

(Replaces KBR0819)

2шт.

41

KRH10200

COLLAR

2шт.

42

KRH10210

PLATE

1шт.

43

166347A1

BOLT,Sems, M10 x 30mm

2шт.

44

MMA1011

RUBBER SEAL

1шт.

Выбрано товаров: 15