Запчасти Case CX210BNLC (02-05) - RADIATOR AND CONNECTIONS (02) - ENGINE

Схема запчастей Case CX210BNLC - (02-05) - RADIATOR AND CONNECTIONS (02) - ENGINE
8
36
44
44
14
58
36
52
50
57
51
39
8
45
5
3
7
46
11
34
41
55
61
33
47
12
12.5
43
55
53
9
49
42
5
5
38
8
30
1
59
2
40
37
6
8
13
32
38
48
10
31
4
60
56
54
35
62
FIT
1:1
100%

Артикул

Название

Примечание

Количество

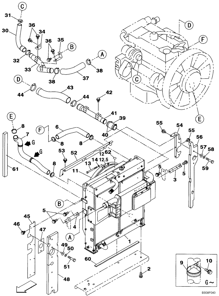
1

KRH10810

RADIATOR

See Figure 02-07

1шт.

2

166373A1

BOLT,Sems, M16 x 40mm

4шт.

3

KRH11070

STAY

1шт.

4

KRH11080

STAY

1шт.

5

166373A1

BOLT,Sems, M16 x 40mm

4шт.

6

KRH11110

RADIATOR HOSE,49.00 mm ID

1шт.

7

KRH11100

RADIATOR HOSE,49.00 mm ID

1шт.

8

165793A1

COLLAR

4шт.

9

KRH10460

HOSE CLIP

2шт.

10

167320A1

BOLT,Spcl, M8 x 20mm

Replaces KHJ1215

2шт.

11

KRH12850

RUBBER SEAL

Replaces KRH11990

1шт.

12

KHH12390

MOUNTING CLIP

If Used, Replaces KBH0936

1шт.

12.5

KHH12410

COLLAR CLAMP

Replaces KBH0936

1шт.

13

KRH1377

BOLT,Spcl

No Longer Used, Order KHH12410

1шт.

14

895-11005

WASHER,5.5mm ID x 10mm OD x 1mm Thk

No Longer Used, Order KHH12410

1шт.

30

KRH11040

AIR HOSE

Air

1шт.

31

165793A1

COLLAR

1шт.

32

164967A1

COLLAR

1шт.

33

KRH11030

SUCTION PIPE

1шт.

34

KRH10380

SUPPORT

1шт.

35

KRH10390

SUPPORT

1шт.

36

152718A1

BOLT,Spcl, Hex Wshr, M12 x 25mm, Cl 10.9

4шт.

37

KRH10290

AIR HOSE

1шт.

38

164967A1

COLLAR

2шт.

39

KSH1065

RADIATOR HOSE

1шт.

40

164967A1

COLLAR

2шт.

41

KRH10320

SUCTION PIPE

1шт.

42

152718A1

BOLT,Spcl, Hex Wshr, M12 x 25mm, Cl 10.9

2шт.

43

KRH10300

AIR HOSE

1шт.

44

KHH0411

COLLAR

2шт.

45

KRH11140

SUPPORT

1шт.

46

166345A1

BOLT

4шт.

47

KBH0929

RUBBER

1шт.

48

KRH11150

SEAL

1шт.

49

KHH0358

RETAINER

5шт.

50

895-11008

WASHER,9mm ID x 16mm OD x 1.6mm Thk

5шт.

51

827-8040

BOLT,Hex, M8 x 1.25 x 40mm, Cl 10.9

5шт.

52

KRH10960

SUPPORT

1шт.

53

166345A1

BOLT

4шт.

54

KRH10970

SUPPORT

1шт.

55

166345A1

BOLT

3шт.

56

KRH11120

SEAL

1шт.

57

KHH0358

RETAINER

2шт.

58

895-11008

WASHER,9mm ID x 16mm OD x 1.6mm Thk

2шт.

59

827-8040

BOLT,Hex, M8 x 1.25 x 40mm, Cl 10.9

2шт.

60

KRH10450

SEAL

1шт.

61

KRH10590

SEAL

1шт.

62

162468A1

DECAL

1шт.

Выбрано товаров: 48