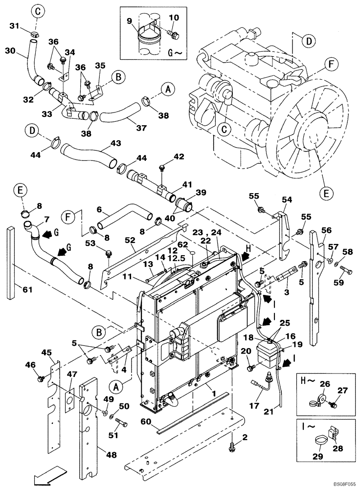
Запчасти Case CX240B (02-04) - RADIATOR AND CONNECTIONS (02) - ENGINE

Схема запчастей Case CX240B - (02-04) - RADIATOR AND CONNECTIONS (02) - ENGINE
38
55
45
5
8
48
14
28
36
43
21
46
44
12.5
5
24
58
38
11
62
22
23
30
25
12
31
59
29
8
32
26
2
13
36
18
53
4
41
50
7
33
20
35
39
5
51
3
40
44
57
49
61
8
52
42
60
16
27
47
6
8
9
1
37
54
34
55
17
10
56
19
FIT
1:1
100%

Артикул

Название

Примечание

Количество

1

KBH10800

RADIATOR

See Figure 02-05

1шт.

2

166373A1

BOLT,Sems, M16 x 40mm

4шт.

3

KRH11070

STAY

1шт.

4

KRH11080

STAY

1шт.

5

166373A1

BOLT,Sems, M16 x 40mm

4шт.

6

KBH10820

RADIATOR HOSE,49.00 mm ID

1шт.

7

KRH11100

RADIATOR HOSE,49.00 mm ID

1шт.

8

165793A1

COLLAR

4шт.

9

KRH10460

HOSE CLIP

2шт.

10

167320A1

BOLT,Spcl, M8 x 20mm

Replaces KHJ1215

2шт.

11

KRH12850

RUBBER SEAL

Replaces KRH11990

1шт.

12

KHH12390

MOUNTING CLIP

If Used, Replaces KBH0936

1шт.

12.5

KHH12410

COLLAR CLAMP

Replaces KBH0936

1шт.

13

KRH1377

BOLT,Spcl

No Longer Used, Order KHH12410

1шт.

14

895-11005

WASHER,5.5mm ID x 10mm OD x 1mm Thk

No Longer Used, Order KHH12410

1шт.

KHH10840

RESERVOIR, COOLANT E

Incl. 16 - 18

1шт.

16

NSS

NOT SOLD SEPARAT

Tank

1шт.

17

161740A1

SWITCH

1шт.

18

KHH10860

PLASTIC PLUG

1шт.

19

KRH1270

HOLDER

1шт.

20

166052A1

BOLT

2шт.

21

KHH0398

HOSE,7mm ID x 650mm L

650 mm

1шт.

22

165951A1

CLAMP

1шт.

23

KHH0389

HOSE

1шт.

24

KBR0665

PLASTIC-RUBBER TUBE

1шт.

25

165951A1

CLAMP

2шт.

26

KHR2584

CLAMP

1шт.

27

KHJ1215

BOLT,Spcl

1шт.

28

KHR10220

MOUNTING CLIP

3шт.

29

150496A1

MOUNTING CLIP

3шт.

30

KRH11040

AIR HOSE

Air

1шт.

31

164966A1

HOSE CLAMP

1шт.

32

164967A1

COLLAR

1шт.

33

KRH11030

SUCTION PIPE

1шт.

34

KRH10380

SUPPORT

1шт.

35

KRH10390

SUPPORT

1шт.

36

152718A1

BOLT,Spcl, Hex Wshr, M12 x 25mm, Cl 10.9

4шт.

37

KRH10290

AIR HOSE

1шт.

38

164967A1

COLLAR

2шт.

39

KSH1065

RADIATOR HOSE

1шт.

40

164967A1

COLLAR

2шт.

41

KRH10320

SUCTION PIPE

1шт.

42

152718A1

BOLT,Spcl, Hex Wshr, M12 x 25mm, Cl 10.9

2шт.

43

KRH10300

AIR HOSE

1шт.

44

KHH0411

COLLAR

2шт.

45

KRH11140

SUPPORT

1шт.

46

166345A1

BOLT

4шт.

47

KBH0929

RUBBER

1шт.

48

KRH11150

SEAL

1шт.

49

KHH0358

RETAINER

5шт.

50

895-11008

WASHER,9mm ID x 16mm OD x 1.6mm Thk

5шт.

51

827-8040

BOLT,Hex, M8 x 1.25 x 40mm, Cl 10.9

5шт.

52

KBH10830

SUPPORT

1шт.

53

166345A1

BOLT

4шт.

54

KBH10840

SUPPORT

1шт.

55

166345A1

BOLT

3шт.

56

KBH10850

SEAL

1шт.

57

KHH0358

RETAINER

2шт.

58

895-11008

WASHER,9mm ID x 16mm OD x 1.6mm Thk

2шт.

59

827-8040

BOLT,Hex, M8 x 1.25 x 40mm, Cl 10.9

2шт.

60

KRH10450

SEAL

1шт.

61

KRH10590

SEAL

1шт.

62

162468A1

DECAL

1шт.

Выбрано товаров: 63