Запчасти Case CX240B (09-24) - CAB - AIR CONDITIONING (09) - CHASSIS/ATTACHMENTS

Схема запчастей Case CX240B - (09-24) - CAB - AIR CONDITIONING (09) - CHASSIS/ATTACHMENTS
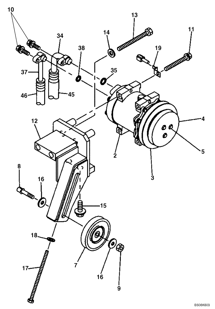
9
12
5
8
37
17
18
4
13
46
45
16
34
15
14
10
16
11
19
38
3
7
2
35
FIT
1:1
100%

Артикул

Название

Примечание

Количество

2

KHR3197

COMPRESSOR

Incl. 3 - 5

1шт.

KHR3197R

REMAN-COMPRESSOR

CX240B Tier 3 (1/07-)

1шт.

KHR3197C

CORE-COMPRESSOR

Return Number

1шт.

3

KHR3198

CLUTCH

1шт.

4

KHR3974

PROTECTIVE COVER

1шт.

5

KHR3975

BOLT

3шт.

7

KHR11760

PULLEY

1шт.

8

157299A1

SHAFT

1шт.

9

157292A1

NUT

1шт.

10

162457A1

SPECIAL BOLT,Spcl

2шт.

11

KAR0921

BOLT,Spcl

4шт.

12

KHR10710

SUPPORT

1шт.

13

102R012Y120R

BOLT

2шт.

14

150811A1

WASHER

2шт.

15

158919A1

CAPTIVE WASHER SCREW,Hex Wshr Hd, M12 x 1.75 x 35mm, Cl 10.9, Spcl

2шт.

16

151977A1

WASHER

2шт.

17

KHR3171

BOLT,Spcl

1шт.

18

183-108VR

SPRING WASHER

1шт.

19

158962A1

CLIP

1шт.

34

KHR14940

HOSE

Incl. 35, 36

1шт.

35

169052A1

O-RING

2шт.

36

KHR3054

CAP

Not Illustrated, See Figure 09-23

1шт.

37

KHR14950

HOSE

Incl. 38, 39

1шт.

38

169053A1

O-RING

2шт.

39

KHR3053

CAP

Not Illustrated, See Figure 09-25

1шт.

45

166125A1

PLASTIC-RUBBER TUBE

1шт.

46

166129A1

PLASTIC-RUBBER TUBE

1шт.

Выбрано товаров: 27