Запчасти Case CX240B (04-15) - RADIO (04) - ELECTRICAL SYSTEMS

Схема запчастей Case CX240B - (04-15) - RADIO (04) - ELECTRICAL SYSTEMS
9
7
5
6
7
6
4
5
3
2
1
8
FIT
1:1
100%

Артикул

Название

Примечание

Количество

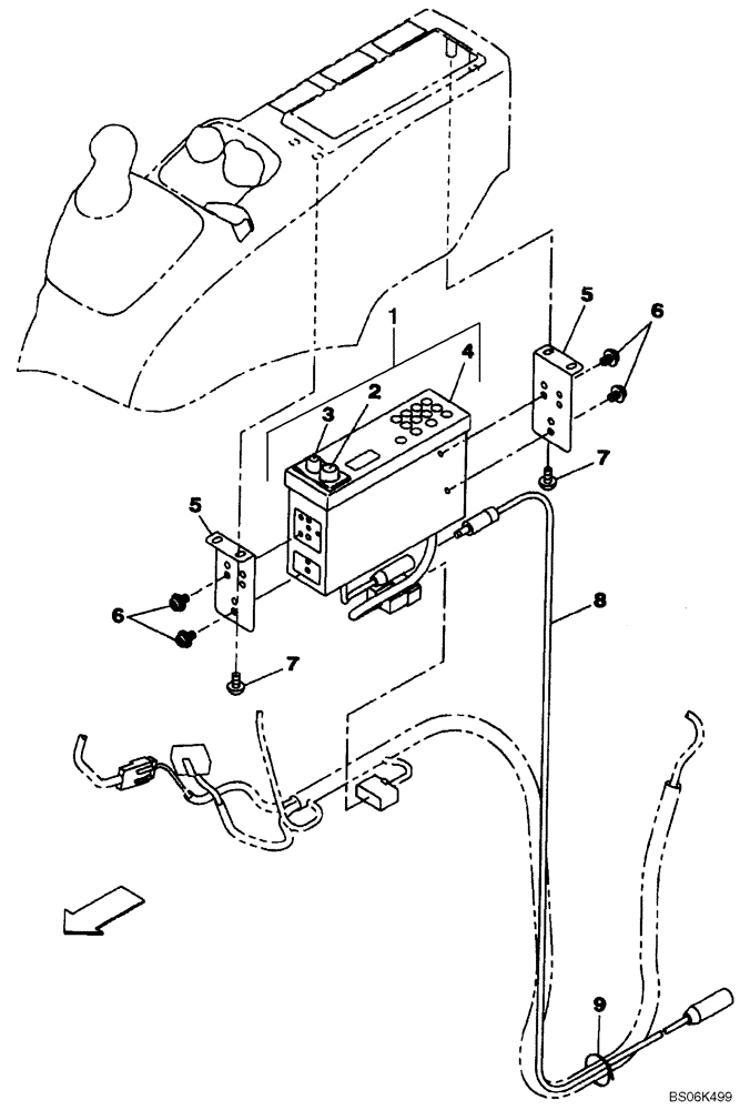
1

KHR15570

RADIO

Incl. 2 - 4

1шт.

2

KHR3332

KNOB

1шт.

3

KHR3333

KNOB

1шт.

4

KHR15580

PADDING

1шт.

5

KHR15640

SUPPORT

2шт.

6

157537A1

SCREW

4шт.

7

KHR2735

SELF-TAP SCREW

4шт.

8

KHR10970

ELECTRIC CABLE

1шт.

9

150496A1

MOUNTING CLIP

5шт.

Выбрано товаров: 9