Запчасти Case CX350B (02-01) - ENGINE MOUNTING - ENGINE (02) - ENGINE

Схема запчастей Case CX350B - (02-01) - ENGINE MOUNTING - ENGINE (02) - ENGINE
17
19
30
17
17
35
40
38
18
44
31
21
37
52
9
18
41
25
19
19
16
7
45
21
26
18
46
45
3
49
15
24
15
11
27
13
20
21
44
28
10
26
34
42
2
20
19
43
14
8
20
11
51
23
48
36
20
20
10
53
32
12
17
20
16
29
16
50
47
14
20
16
22
39
43
20
18
21
FIT
1:1
100%

Артикул

Название

Примечание

Количество

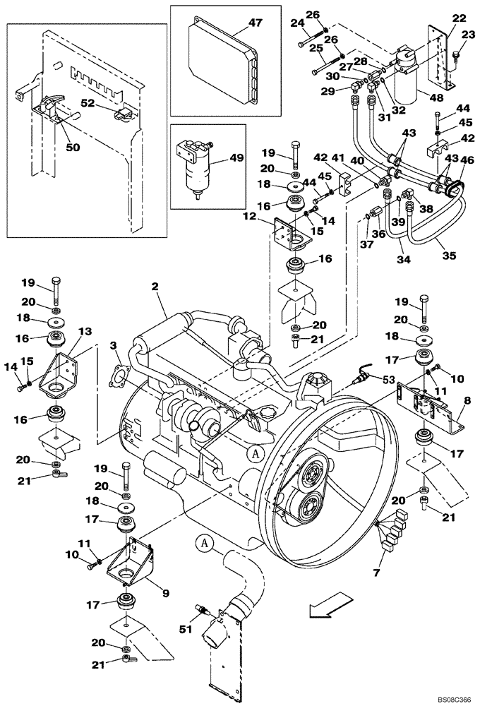
2

KSH10070

ENGINE ASSEMBLY

ENGINE ASSY Incl. 3, 7, 47 - 52, Also Includes Figures 02-06 - 02-34, 03-03 - 03-06, 04-13 - 04-21

1шт.

2

KSH10070EC

CORE-ENGINE

Environmental Core, For N.A. Only

1шт.

2

47609684ER

REMAN-BASIC ENGINE

1шт.

2

47609684EPAC

CORE-BASIC ENGINE

Return Number

1шт.

3

KTH0615

GASKET

See Fig. 02-27

1шт.

7

KSH10030

HARNESS

See Fig. 04-19

1шт.

8

KSH1067

ENGINE MOUNT

1шт.

9

KSH0908

ENGINE MOUNT

1шт.

10

627-10035

BOLT,Hex, M10 x 1.5 x 35mm, Cl 10.9, Full Thd

10шт.

11

150409A1

WASHER

W M10

10шт.

12

KSH0909

ENGINE MOUNT

1шт.

13

KSH0910

ENGINE MOUNT

1шт.

14

627-12040

BOLT,Hex, M12 x 1.75 x 40mm, Cl 10.9, Full Thd

8шт.

15

150811A1

WASHER

W12

8шт.

16

KTH0566

SILENTBLOC

4шт.

17

KTH0567

SILENTBLOC

4шт.

18

150874A1

WASHER

4шт.

19

827-20150

BOLT,Hex, M20 x 2.5 x 150mm, Cl 10.9

M10 x 150

4шт.

20

150817A1

WASHER,21mm ID x 40mm OD x 4.5mm Thk

W 20

8шт.

21

KSH0923

SPECIAL NUT

4шт.

22

KSH1055

SUPPORT

1шт.

23

166352A1

BOLT

M13 x 30

2шт.

24

102R008Y110R

BOLT

M8 x 110

2шт.

25

KHH0515

BOLT

M8 x 140

2шт.

26

153081A1

WASHER

W M8

4шт.

27

152012A1

ELEC CONNECTOR

1шт.

28

150542A1

O-RING

1шт.

29

157580A1

ELBOW,90 Degree, 3/4" O-Ring x 3/4"

1шт.

30

154503A1

O-RING

1шт.

31

157580A1

ELBOW,90 Degree, 3/4" O-Ring x 3/4"

1шт.

32

154503A1

O-RING

1шт.

34

KSH1054

HYDRAULIC HOSE,19.00 mm ID x 1550.00 mm

1шт.

35

KSH1056

HYDRAULIC HOSE,19.00 mm ID x 1670.00 mm

1шт.

36

152012A1

ELEC CONNECTOR

1шт.

37

154503A1

O-RING

1шт.

38

157580A1

ELBOW,90 Degree, 3/4" O-Ring x 3/4"

1шт.

39

154503A1

O-RING

1шт.

40

157580A1

ELBOW,90 Degree, 3/4" O-Ring x 3/4"

1шт.

41

154503A1

O-RING

1шт.

42

KHJ2283

COLLAR

2шт.

43

KHJ2023

HOSE CLAMP

4шт.

44

828-10060

BOLT,Hex, M10 x 1.5 x 60mm, Cl 10.9

2шт.

45

150409A1

WASHER

W M10

2шт.

46

KEJ0421

GROMMET

1шт.

47

NSS

NOT SOLD SEPARAT

Control Unit; See Figure 04-13 Ref. 613

1шт.

48

NSS

NOT SOLD SEPARAT

Oil Filter; See Figure 02-29 Ref. 496

1шт.

49

NSS

NOT SOLD SEPARAT

Fuel Filter; See Figure 03-05 Ref. 1

1шт.

50

NSS

NOT SOLD SEPARAT

Relay; See Figure 04-13 Ref. 424

1шт.

51

KHH0535

SENSOR

See Figure 04-13 Ref. 797

1шт.

52

NSS

NOT SOLD SEPARAT

Sensor; See Figure 04-13 Ref. 796

1шт.

53

KHH0536

SENSOR

1шт.

Выбрано товаров: 51