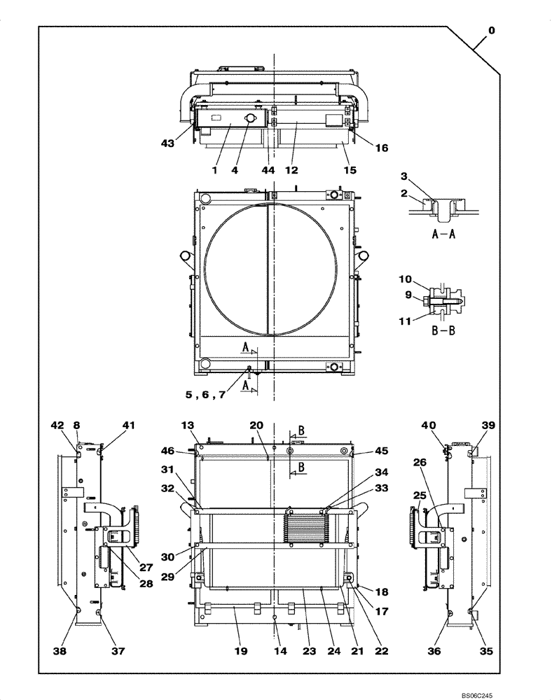
Запчасти Case CX350B (02-05) - RADIATOR (02) - ENGINE

Схема запчастей Case CX350B - (02-05) - RADIATOR (02) - ENGINE
32
14
29
5
4
8
10
15
46
13
27
39
20
36
3
45
6
16
40
18
34
7
43
23
37
35
31
0
19
26
28
25
1
24
38
22
21
33
44
9
30
41
42
17
11
12
2
FIT
1:1
100%

Артикул

Название

Примечание

Количество

0

KSH1028

RADIATOR

Incl. 1 - 46

1шт.

1

LN002080

RADIATOR

1шт.

2

LG005610

STRIP-GASKET

2шт.

3

LG005620

SILENTBLOC

2шт.

4

LR01142

RADIATOR CAP

1шт.

5

156602A1

COCK

1шт.

6

LK005320

HOSE

1шт.

7

LA00804

CLIP

1шт.

8

LT001690

FRAME

1шт.

LT001560

FRAME

Not Shown

1шт.

9

LA010480

BOLT

M10 x 1.5 x 50

2шт.

10

LA011260

WASHER

4шт.

11

LG005630

SILENTBLOC

2шт.

12

LN002100

OIL COOLER

1шт.

13

LA00792

BOLT

2шт.

14

LA00792

BOLT

2шт.

15

LW005280

SHROUD

1шт.

LW004690

SHROUD

Not Shown

1шт.

16

158870A1

BOLT

6шт.

17

LS003540

SUPPORT

BRACKET

2шт.

18

158870A1

BOLT

6шт.

19

LG006280

RADIATOR GRILLE

GRILLE, REDIATOR

2шт.

20

156606A1

BOLT,Wing, M6

M6 x 1.0

4шт.

21

LN002110

INTERCOOLER

INTERCOOLER

1шт.

22

LA010500

BOLT

M10 x 1.5 x 35

4шт.

23

LG006290

RADIATOR GRILLE

GRILLE, RADIATOR

1шт.

24

156606A1

BOLT,Wing, M6

M6 x 1.0

4шт.

25

LS003380

SUPPORT

1шт.

26

LA00781

BOLT

M12 x 1.75 x 25

2шт.

27

LS003550

SUPPORT

BRACKET

1шт.

28

LA00781

BOLT

M12 x 1.75 x 25

2шт.

29

LS003560

SUPPORT

BRACKET

1шт.

30

158870A1

BOLT

2шт.

31

LS003570

SUPPORT

BRACKET

1шт.

32

158870A1

BOLT

2шт.

33

LN001760

FUEL COOLER

1шт.

34

LA00677

BOLT,Spcl

4шт.

35

NSS

NOT SOLD SEPARAT

1шт.

36

NSS

NOT SOLD SEPARAT

1шт.

37

NSS

NOT SOLD SEPARAT

1шт.

38

NSS

NOT SOLD SEPARAT

1шт.

39

NSS

NOT SOLD SEPARAT

1шт.

40

NSS

NOT SOLD SEPARAT

1шт.

41

NSS

NOT SOLD SEPARAT

1шт.

42

NSS

NOT SOLD SEPARAT

1шт.

43

NSS

NOT SOLD SEPARAT

2шт.

44

NSS

NOT SOLD SEPARAT

1шт.

45

NSS

NOT SOLD SEPARAT

4шт.

46

NSS

NOT SOLD SEPARAT

2шт.

Выбрано товаров: 49