Качественные детали и логистика
Оригинальные и аналоговые запчасти с доставкой по России, Казахстану и Беларуси
©2022 PartSell ООО "Система" ИНН 2463123282 ОГРН 1212400004838
Центральный офис: г. Красноярск, Академика Киренского, д.87, пом.4
Телефон: 8 (800) 777-65-74 Email: zakaz@partsell.ru
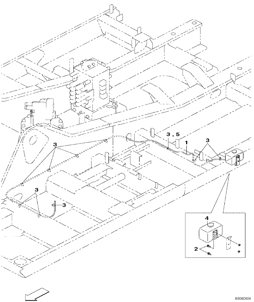
(04-04) - WINDSHIELD WASHER
№
Артикул
Название
Примечание
Количество
1
KHR4151
LINER
1шт.
2
159602A1
BOLT,Sems, Hex, M6 x 16mm
2шт.
3
150496A1
MOUNTING CLIP
10шт.
4
KHR2261
RESERVOIR
5
KHR10220
Выбрано товаров: 0