Качественные детали и логистика
Оригинальные и аналоговые запчасти с доставкой по России, Казахстану и Беларуси
©2022 PartSell ООО "Система" ИНН 2463123282 ОГРН 1212400004838
Центральный офис: г. Красноярск, Академика Киренского, д.87, пом.4
Телефон: 8 (800) 777-65-74 Email: zakaz@partsell.ru
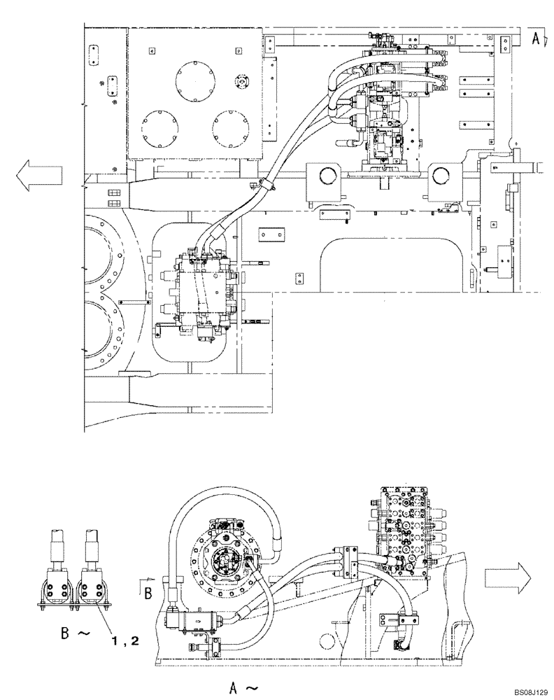
(08-56) - HYDRAULIC CIRCUIT - PLUG, BLANK-OFF (MULTI-PURPOSE+3WAY VALVE PEDAL)
№
Артикул
Название
Примечание
Количество
1
152924A1
PLUG
Incl. 2
1шт.
2
154503A1
O-RING
Выбрано товаров: 0