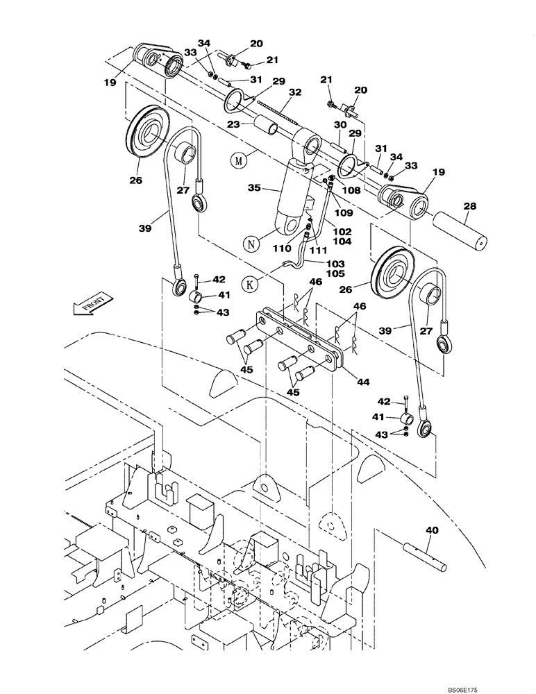
Запчасти Case CX800B (09-09) - SELF-DETACHING COUNTERWEIGHT SYSTEM (09) - CHASSIS

Схема запчастей Case CX800B - (09-09) - SELF-DETACHING COUNTERWEIGHT SYSTEM (09) - CHASSIS
110
40
31
27
42
28
102
108
104
111
103
46
35
20
41
21
33
43
34
43
23
39
42
29
26
19
19
26
29
27
46
33
30
34
45
109
39
45
105
20
41
32
31
44
21
FIT
1:1
100%

Артикул

Название

Примечание

Количество

19

KUB0158

LINK

2шт.

20

KUB0159

PLATE

2шт.

21

152718A1

BOLT,Spcl, Hex Wshr, M12 x 25mm, Cl 10.9

4шт.

23

KUB0179

SPACER

1шт.

26

KUB0165

PULLEY

2шт.

27

KUB0180

BUSHING

2шт.

28

KUB0166

PIN

1шт.

29

KUB0160

PLATE

2шт.

30

KUB0170

SPACER

1шт.

31

KUB0171

SPACER

2шт.

32

KUB0178

ROD,THREADED

THREADED ROD

1шт.

33

829-1412

NUT,M12, Cl 10.9

2шт.

34

150811A1

WASHER

W 12

2шт.

35

KUB0156

HYDRAULIC CYLINDER

See Figure 08-51

1шт.

39

KUB0164

WIRE ROPE

2шт.

40

KUB0174

PIN

1шт.

41

KUB0176

COLLAR

2шт.

42

102R008Y080R

BOLT

M8 x 80

2шт.

43

829-1408

NUT,Hex, M8 x 1.25, Cl 10.9

4шт.

44

KUB0172

BRACKET

1шт.

45

KUB0161

PIN

4шт.

46

C4E6684

SPLIT PIN/SAFETY PIN

4шт.

102

KAJ4281

HYDRAULIC HOSE,9.50 mm ID x 1400.00 mm

See Figure 08-081-00 01

1шт.

103

KWJ11030

HYDRAULIC HOSE,9.52 mm ID x 1150.00 mm

See Figure 08-081-00 01

1шт.

104

158063A1

PLASTIC-RUBBER TUBE

1шт.

105

150774A1

PLASTIC-RUBBER TUBE

1шт.

108

150916A1

ELBOW,90 Degree, 3/8" O-Ring x 3/8"

Incl. 107

1шт.

109

154475A1

O-RING

1шт.

110

152128A1

HYD CONNECTOR,3/8" NPT O-Ring x 3/8" NPT

Incl. 109

1шт.

111

154475A1

O-RING

1шт.

Выбрано товаров: 30