Качественные детали и логистика
Оригинальные и аналоговые запчасти с доставкой по России, Казахстану и Беларуси
©2022 PartSell ООО "Система" ИНН 2463123282 ОГРН 1212400004838
Центральный офис: г. Красноярск, Академика Киренского, д.87, пом.4
Телефон: 8 (800) 777-65-74 Email: zakaz@partsell.ru
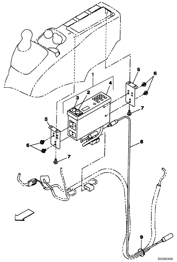
(04-12) - RADIO
№
Артикул
Название
Примечание
Количество
1
KHR15570
RADIO
Incl. 2 - 4
1шт.
2
KHR3332
KNOB
3
KHR3333
4
KHR15580
PADDING
5
KHR15640
SUPPORT
2шт.
6
157537A1
SCREW
4шт.
7
KHR2735
SELF-TAP SCREW
8
KHR10970
ELECTRIC CABLE
9
150496A1
MOUNTING CLIP
5шт.
Выбрано товаров: 0