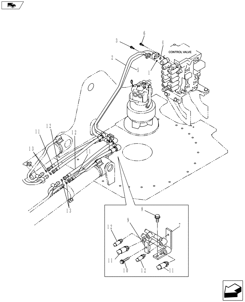
Запчасти Case CX130C (35.736.AC[01]) - BOOM LINE (35) - HYDRAULIC SYSTEMS

Схема запчастей Case CX130C - (35.736.AC[01]) - BOOM LINE (35) - HYDRAULIC SYSTEMS
2
3
1
7
11
11
5
1
12
1
12
12
13
11
1
10
1
1
1
1
12
1
13
4
9
6
11
8
FIT
1:1
100%

Артикул

Название

Примечание

Количество

1

161096A1

O-RING

1шт.

2

KNJ16810

HYD TUBE

1шт.

3

862-8030

HEX SOC SCREW,M8 x 30mm, Cl 12.9

4шт.

4

155210A1

O-RING

1шт.

5

KNJ16820

HYD TUBE

1шт.

6

862-10045

HEX SOC SCREW,M10 x 45mm, Cl 12.9

4шт.

7

KRJ10900

SUPPORT

1шт.

8

166352A1

BOLT

2шт.

9

152085A1

COLLAR

1шт.

10

167183A1

BOLT,Sems, M12 x 60mm, Cl 10.9

1шт.

11

KLJ10660

HOSE ASSY.,15.90 mm ID x 750.00 mm

2шт.

12

KNJ12670

HOSE ASSY.

2шт.

13

155204A1

O-RING

4шт.

Выбрано товаров: 13