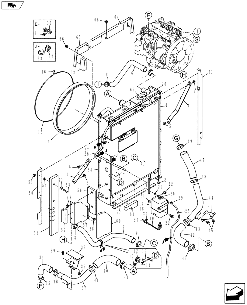
Запчасти Case CX130C (10.400.BE) - RADIATOR - STANDARD (10) - ENGINE

Схема запчастей Case CX130C - (10.400.BE) - RADIATOR - STANDARD (10) - ENGINE
37
24
1
30
46
59
54
29
13
2
1
55
5
38
61
39
48
43
9
47
67
5
34
27
28
4
56
1
18
52
10
33
15
60
51
44
3
64
20
16
57
9
58
40
66
5
62
50
49
25
17
42
58
21
22
39
43
53
66
65
7
69
8
19
22
35
6
5
12
23
31
8
14
26
45
68
29
32
41
41
63
36
FIT
1:1
100%

Артикул

Название

Примечание

Количество

1

KNH11000

RADIATOR

1шт.

2

166352A1

BOLT

Bolt, SEMS

4шт.

3

KLH10890

STAY

1шт.

4

KLH11460

STAY

1шт.

5

152718A1

BOLT,Spcl, Hex Wshr, M12 x 25mm, Cl 10.9

4шт.

6

KLH10250

HOSE

1шт.

7

KLH10260

RADIATOR HOSE,37.10 mm ID

1шт.

8

165792A1

COLLAR

2шт.

9

165793A1

COLLAR

2шт.

10

KLH10270

SUPPORT

1шт.

11

166345A1

BOLT

2шт.

12

KLH10280

COLLAR CLAMP

1шт.

13

KHJ1215

BOLT,Spcl

1шт.

14

KNH10600

RUBBER SEAL

1шт.

15

KHH12380

MOUNTING CLIP

1шт.

16

KHH12410

COLLAR CLAMP

1шт.

17

KHH10840

RESERVOIR, COOLANT E

1шт.

18

NSS

NOT SOLD SEPARAT

Reserve Tank, Incl in 17

1шт.

19

161740A1

SWITCH

1шт.

20

KHH10860

PLASTIC PLUG

1шт.

21

KNH10920

HOLDER

1шт.

22

166052A1

BOLT

2шт.

23

158962A1

CLIP

1шт.

24

167518A1

BOLT

1шт.

25

KHH0327

HOSE

1шт.

26

165951A1

CLAMP

1шт.

27

150740A1

HOSE

1шт.

28

157138A1

PLASTIC-RUBBER TUBE,13 mm ID, 17.5 mm OD, 1600 mm Length

1шт.

29

165951A1

CLAMP

2шт.

30

KHR2584

CLAMP

1шт.

31

KHJ1215

BOLT,Spcl

1шт.

32

KHR10220

MOUNTING CLIP

3шт.

33

150496A1

MOUNTING CLIP

3шт.

34

KLH11000

AIR HOSE

1шт.

35

164966A1

HOSE CLAMP

1шт.

36

164967A1

COLLAR

1шт.

37

KLH11010

PIPE

1шт.

38

KLH10790

SUPPORT

1шт.

39

152718A1

BOLT,Spcl, Hex Wshr, M12 x 25mm, Cl 10.9

4шт.

40

KLH10320

RADIATOR HOSE

1шт.

41

164967A1

COLLAR

2шт.

42

KLH10330

RADIATOR HOSE

1шт.

43

164967A1

COLLAR

2шт.

44

KLH11020

PIPE

1шт.

45

KLH11490

BRACKET

1шт.

46

152718A1

BOLT,Spcl, Hex Wshr, M12 x 25mm, Cl 10.9

4шт.

47

KLH11030

AIR HOSE

1шт.

48

164967A1

COLLAR

1шт.

49

164968A1

COLLAR

1шт.

50

KLH10410

SUPPORT

1шт.

51

166345A1

BOLT

3шт.

52

KLH10430

SEAL

1шт.

53

KHH0358

RETAINER

2шт.

54

895-11008

WASHER,9mm ID x 16mm OD x 1.6mm Thk

2шт.

55

827-8040

BOLT,Hex, M8 x 1.25 x 40mm, Cl 10.9

2шт.

56

KNH10900

SEAL

1шт.

57

KNH10890

BRACKET

1шт.

58

166345A1

BOLT

3шт.

59

KNH10290

SEAL

1шт.

60

KNH10880

SEAL

1шт.

61

KNH10910

SEAL

1шт.

62

KLH11530

SEAL

1шт.

63

KLH11520

SEAL

1шт.

64

KLH11500

BRACKET

1шт.

65

KLH11510

BRACKET

1шт.

66

166345A1

BOLT

6шт.

67

KLH10480

SEAL

1шт.

68

KLH10880

SEAL

1шт.

69

162468A1

DECAL

1шт.

Выбрано товаров: 69