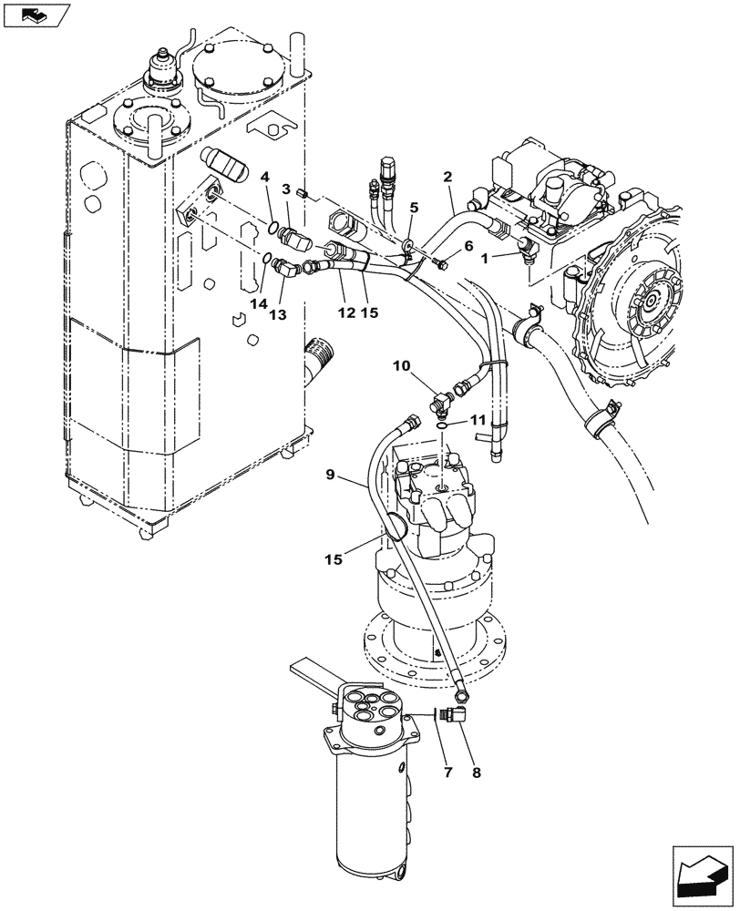
Запчасти Case CX145C SR (35.310.AG) - DRAIN LINE (ANZ) (35) - HYDRAULIC SYSTEMS

Схема запчастей Case CX145C SR - (35.310.AG) - DRAIN LINE (ANZ) (35) - HYDRAULIC SYSTEMS
12
4
14
15
3
10
8
9
1
5
15
11
7
home
home
2
13
6
FIT
1:1
100%

Артикул

Название

Примечание

Количество

1

163005A1

ELBOW

1шт.

2

KHJ27140

HYDRAULIC HOSE

1шт.

3

157580A1

ELBOW,90 Degree, 3/4" O-Ring x 3/4"

1шт.

4

154503A1

O-RING

1шт.

5

KHR2584

CLAMP

1шт.

6

KHJ1215

BOLT,Spcl

1шт.

7

150919A1

ELBOW,90 Degree, 1/2" O-Ring x 1/2"

1шт.

8

154487A1

O-RING

1шт.

9

KHJ31530

HYDRAULIC HOSE

1шт.

10

KHJ1157

TEE

1шт.

11

154475A1

O-RING

1шт.

12

MMA3016

HYDRAULIC HOSE

1шт.

13

150919A1

ELBOW,90 Degree, 1/2" O-Ring x 1/2"

1шт.

14

154487A1

O-RING

1шт.

15

150496A1

MOUNTING CLIP

2шт.

Выбрано товаров: 15