Запчасти Case CX145C SR (35.310.AJ[03]) - VAR. 461863 - SECOND OPTION LINE, W/ PEDAL CONTROL (35) - HYDRAULIC SYSTEMS

Схема запчастей Case CX145C SR - (35.310.AJ[03]) - VAR. 461863 - SECOND OPTION LINE, W/ PEDAL CONTROL (35) - HYDRAULIC SYSTEMS
FIT
1:1
100%

Артикул

Название

Примечание

Количество

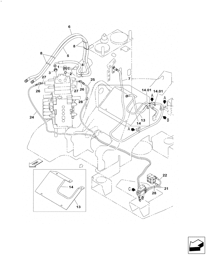
1

157936A1

ELBOW

Assy, Incl. 2

1шт.

2

150542A1

O-RING

1шт.

3

168988A1

ADAPTER

1шт.

5

KMJ16930

HYDRAULIC HOSE

1шт.

6

KMJ16850

HYDRAULIC HOSE

1шт.

7

KHJ25460

HYDRAULIC HOSE

, Serial Range: -NDS6E1275

1шт.

7

KHJ30250

HYDRAULIC HOSE

, Start Serial: NDS6E1276

1шт.

8

KAR0017

COLLAR CLAMP

, Serial Range: -NDS6E1275

3шт.

8

KAR0017

COLLAR CLAMP

, Start Serial: NDS6E1276

5шт.

13

KMN14970G1

COVER

, Serial Range: -NDS6E1275

1шт.

13

KMN14971G1

COVER

, Start Serial: NDS6E1276

1шт.

14

KRN10750

SEAL PROTECTION

, Serial Range: -NDS6E1275

1шт.

14

KRN10740

SEAL PROTECTION

, Start Serial: NDS6E1276

1шт.

14.01

KHH0142

BAND

, Start Serial: NDS6E1205

2шт.

21

KHJ2351

HOSE

1шт.

22

KHJ2046

HOSE

1шт.

24

KHJ2581

HOSE,6.3 mm ID x 3100.00 mm

1шт.

25

KHJ2440

HOSE

1шт.

26

150933A1

ELBOW

Assy, Incl. 27

2шт.

27

150960A1

O-RING,10.8mm ID x 2.4mm Width

2шт.

28

KHH0142

BAND

2шт.

Выбрано товаров: 21