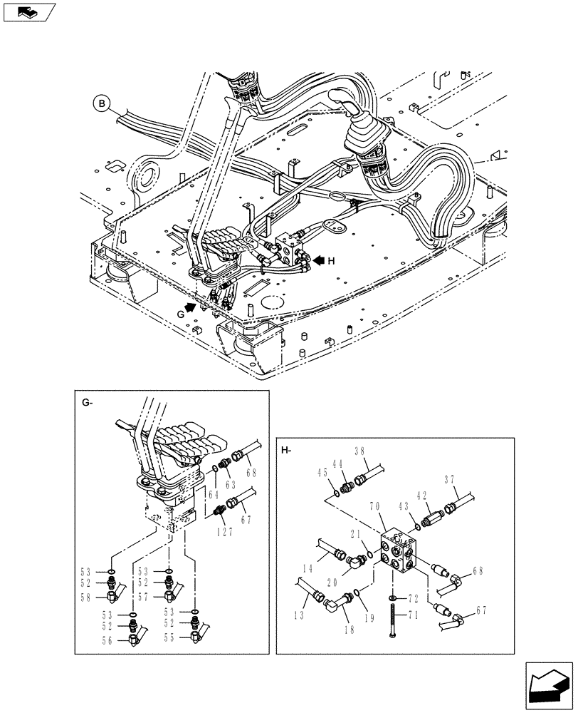
Запчасти Case CX145C SR (35.357.AK[06]) - PILOT CONTROL LINE (35) - HYDRAULIC SYSTEMS

Схема запчастей Case CX145C SR - (35.357.AK[06]) - PILOT CONTROL LINE (35) - HYDRAULIC SYSTEMS
53
19
14
67
52
42
53
home
13
68
63
20
38
67
44
68
55
71
52
127
45
37
18
56
70
52
64
52
53
57
58
43
72
53
21
FIT
1:1
100%

Артикул

Название

Примечание

Количество

13

KHJ24350

HOSE

1шт.

14

KHJ24350

HOSE

1шт.

18

KHJ1442

ELBOW

1шт.

19

154475A1

O-RING

1шт.

20

150916A1

ELBOW,90 Degree, 3/8" O-Ring x 3/8"

1шт.

21

154475A1

O-RING

1шт.

37

KHJ2272

HOSE ASSY.

1шт.

38

KHJ2438

HOSE

1шт.

42

KAJ2351

FITTING

1шт.

43

154475A1

O-RING

1шт.

44

152128A1

HYD CONNECTOR,3/8" NPT O-Ring x 3/8" NPT

1шт.

45

154475A1

O-RING

1шт.

52

152127A1

HYD CONNECTOR,1/4" NPT O-Ring x 1/4" NPT

4шт.

53

154467A1

O-RING,10.8mm ID x 2.4mm Width

4шт.

55

KHJ2344

HOSE

1шт.

56

KHJ2380

HOSE ASSY.

1шт.

57

KHJ2524

HOSE

1шт.

63

152127A1

HYD CONNECTOR,1/4" NPT O-Ring x 1/4" NPT

1шт.

64

154467A1

O-RING,10.8mm ID x 2.4mm Width

1шт.

67

KHJ2084

HOSE

1шт.

68

KHJ2084

HOSE

1шт.

70

KRJ5903

MANIFOLD

1шт.

71

828-8100

BOLT,Hex, M8 x 1.25 x 100mm, Cl 10.9

4шт.

72

153081A1

WASHER

4шт.

127

161841A1

HYD CONNECTOR

1шт.

Выбрано товаров: 25