Запчасти Case CX145C SR (35.357.AP[04]) - PILOT PRESSURE AND RETURN LINE (35) - HYDRAULIC SYSTEMS

Схема запчастей Case CX145C SR - (35.357.AP[04]) - PILOT PRESSURE AND RETURN LINE (35) - HYDRAULIC SYSTEMS
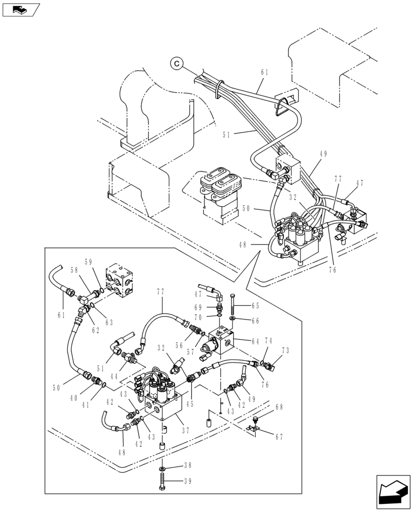
43
77
66
58
42
32
63
65
32
43
38
37
47
40
57
39
61
48
62
43
50
50
76
56
48
73
home
68
61
70
59
76
41
49
64
69
44
74
67
47
42
45
51
42
51
49
77
FIT
1:1
100%

Артикул

Название

Примечание

Количество

32

KHJ27120

HOSE

1шт.

37

KHJ15450

SOLENOID VALVE

1шт.

38

828-10060

BOLT,Hex, M10 x 1.5 x 60mm, Cl 10.9

2шт.

39

150409A1

WASHER

2шт.

40

152128A1

HYD CONNECTOR,3/8" NPT O-Ring x 3/8" NPT

1шт.

41

154475A1

O-RING

1шт.

42

152127A1

HYD CONNECTOR,1/4" NPT O-Ring x 1/4" NPT

3шт.

43

154467A1

O-RING,10.8mm ID x 2.4mm Width

3шт.

44

163422A1

TEE

1шт.

45

KHJ13900

TEE

1шт.

47

KHJ2256

HYDRAULIC HOSE

1шт.

48

KHJ2171

HOSE

1шт.

49

KHJ2201

HOSE

1шт.

50

KHJ2553

HOSE

1шт.

51

KHJ14900

HYDRAULIC HOSE,9.52 mm ID x 2600.00 mm

1шт.

56

150933A1

ELBOW

1шт.

57

154467A1

O-RING,10.8mm ID x 2.4mm Width

1шт.

58

KHJ1442

ELBOW

1шт.

59

154475A1

O-RING

1шт.

61

KHJ2383

HOSE

1шт.

62

157584A1

ELBOW

1шт.

63

154475A1

O-RING

1шт.

64

KHJ24260

HYDRAULIC VALVE

1шт.

65

102R008Y080R

BOLT

2шт.

66

153081A1

WASHER

2шт.

67

158962A1

CLIP

1шт.

68

167518A1

BOLT

1шт.

69

152127A1

HYD CONNECTOR,1/4" NPT O-Ring x 1/4" NPT

1шт.

70

154467A1

O-RING,10.8mm ID x 2.4mm Width

1шт.

73

KHJ0917

ADAPTER

1шт.

74

154467A1

O-RING,10.8mm ID x 2.4mm Width

1шт.

76

KHJ25160

HOSE

1шт.

77

KHJ21180

HOSE

1шт.

Выбрано товаров: 33