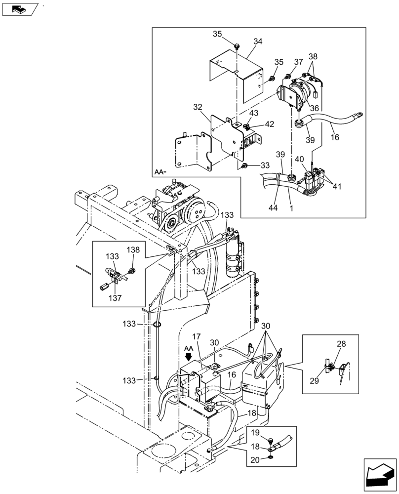
Запчасти Case CX145C SR (55.510.AB[03]) - ELECTRIC PARTS AND WIRE HARNESS (55) - ELECTRICAL SYSTEMS

Схема запчастей Case CX145C SR - (55.510.AB[03]) - ELECTRIC PARTS AND WIRE HARNESS (55) - ELECTRICAL SYSTEMS
39
34
133
137
133
16
37
133
133
18
28
42
40
36
35
38
29
1
30
35
138
33
32
44
133
43
39
18
17
16
20
19
41
30
FIT
1:1
100%

Артикул

Название

Примечание

Количество

1

KMR11940

WIRE HARNESS

1шт.

16

KHR12110

ELECTRIC CABLE

1шт.

17

KHR15070

NEG BATTERY CABLE

1шт.

18

KHR29290

POS BATTERY CABLE

1шт.

19

167518A1

BOLT

1шт.

20

893-11008

LOCK WASHER,Ext Tooth, M8

1шт.

28

KHR10220

MOUNTING CLIP

1шт.

29

150496A1

MOUNTING CLIP

1шт.

30

150496A1

MOUNTING CLIP

5шт.

32

KMR12000

BRACKET

1шт.

33

166345A1

BOLT

2шт.

34

KMR11740

COVER

1шт.

35

166345A1

BOLT

2шт.

36

159897A1

RELAY

1шт.

37

KHR2309

BOLT,Spcl

2шт.

38

159171A1

CAP

2шт.

39

162212A1

TERMINAL CONNECTOR

2шт.

40

159902A1

FUSE

1шт.

41

KHR3850

FUSE

2шт.

42

KHR10220

MOUNTING CLIP

1шт.

43

150496A1

MOUNTING CLIP

1шт.

44

150496A1

MOUNTING CLIP

1шт.

133

150496A1

MOUNTING CLIP

5шт.

137

158962A1

CLIP

1шт.

138

167518A1

BOLT

1шт.

Выбрано товаров: 25