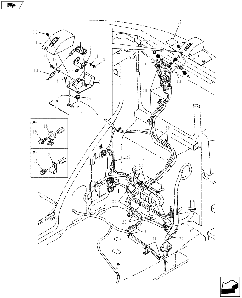
Запчасти Case CX145C SR (55.530.AA[01]) - CAMERA (55) - ELECTRICAL SYSTEMS

Схема запчастей Case CX145C SR - (55.530.AA[01]) - CAMERA (55) - ELECTRICAL SYSTEMS
3
12
20
16
8
7
15
14
1
13
1
13
20
20
18
11
19
2
6
10
9
4
20
17
20
20
5
20
home
20
20
FIT
1:1
100%

Артикул

Название

Примечание

Количество

1

KHR23830

VIDEO CAMERA

Incl 2 - 4

1шт.

2

KHR28180

BRACKET

1шт.

3

KHR28190

BOLT

4шт.

4

KHR28200

BUSHING

4шт.

5

KHR29350

WIRE HARNESS

1шт.

6

KHN2132

BOLT,Hex Flg Hd, M6 x 16

2шт.

7

KHR28630B1

BRACKET, SUPPORTING

1шт.

8

167182A1

BOLT,Sems, M8 x 25mm

2шт.

9

162148A1

CLIP

1шт.

10

167518A1

BOLT

1шт.

11

KHR28640

COVER

1шт.

12

KHN2132

BOLT,Hex Flg Hd, M6 x 16

2шт.

13

KHR31030

WIRE HARNESS

1шт.

14

157806A1

COLLAR

1шт.

15

KHN2132

BOLT,Hex Flg Hd, M6 x 16

1шт.

16

159363A1

GROMMET

1шт.

17

KHP18460

DECAL

1шт.

18

KHR2584

CLAMP

2шт.

19

KHJ1215

BOLT,Spcl

2шт.

20

150496A1

MOUNTING CLIP

18шт.

Выбрано товаров: 20