Качественные детали и логистика
Оригинальные и аналоговые запчасти с доставкой по России, Казахстану и Беларуси
©2022 PartSell ООО "Система" ИНН 2463123282 ОГРН 1212400004838
Центральный офис: г. Красноярск, Академика Киренского, д.87, пом.4
Телефон: 8 (800) 777-65-74 Email: zakaz@partsell.ru
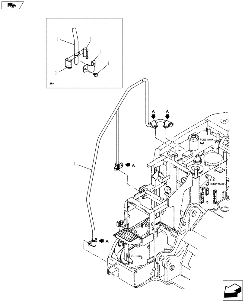
(90.105.AR) - HANDRAIL
№
Артикул
Название
Примечание
Количество
1
KMN14410B1
STAY
1шт.
2
KHN12690
COLLAR
4шт.
3
KHN12700
8шт.
4
152718A1
BOLT,Spcl, Hex Wshr, M12 x 25mm, Cl 10.9
Выбрано товаров: 0