Запчасти Case CX145C SR (10.216.AI[01]) - FUEL TANK (10) - ENGINE

Схема запчастей Case CX145C SR - (10.216.AI[01]) - FUEL TANK (10) - ENGINE
14
7
5
17
8
3
21
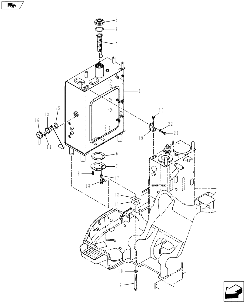
1
18
19
6
22
16
home
20
13
11
9
15
4
12
10
FIT
1:1
100%

Артикул

Название

Примечание

Количество

1

KMH11680

FUEL TANK

Incl 3 - 8

1шт.

3

150492A1

LOCKABLE FUEL CAP

1шт.

4

163804A1

GASKET

1шт.

5

KHH0500

FILTER

1шт.

6

KRH12180

GASKET

1шт.

7

KMH11480

COVER

1шт.

8

166052A1

BOLT

6шт.

9

827-16160

BOLT,Hex, M16 x 2 x 160mm, Cl 10.9

4шт.

10

150814A1

WASHER,17mm ID x 32mm OD x 4.5mm Thk

4шт.

11

150166A1

SHIM

4шт.

12

150479A1

SHIM

4шт.

13

KHR10670

SENSOR

1шт.

14

151688A1

SCREW,Phil Pan Hd, M5 x 12mm, W/ Wshr

5шт.

15

152591A1

GASKET,2mm Thk

1шт.

16

159698A1

COVER

1шт.

17

150847A1

HYD CONNECTOR

1шт.

18

158923A1

DRAIN VALVE

1шт.

19

KMH11470

BRACKET

1шт.

20

166052A1

BOLT

2шт.

21

627-10035

BOLT,Hex, M10 x 1.5 x 35mm, Cl 10.9, Full Thd

2шт.

22

895-10010

WASHER,11mm ID x 20mm OD x 2mm Thk

2шт.

Выбрано товаров: 21