Запчасти Case CX160C (35.354.AF) - TRACTION LINE (35) - HYDRAULIC SYSTEMS

Схема запчастей Case CX160C - (35.354.AF) - TRACTION LINE (35) - HYDRAULIC SYSTEMS
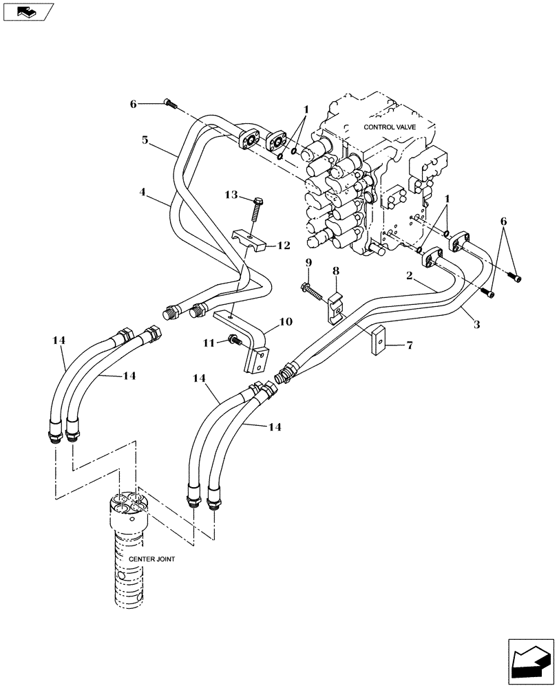
14
12
1
6
3
14
14
7
5
2
11
6
4
1
1
1
home
13
14
10
8
9
FIT
1:1
100%

Артикул

Название

Примечание

Количество

1

155210A1

O-RING

4шт.

2

KLJ13040

HYD TUBE

1шт.

3

KLJ13050

HYD TUBE

1шт.

4

KLJ11100

HYD TUBE,20.8 mm ID x 27.2 mm OD

1шт.

5

KLJ11110

HYD TUBE,20.8 mm ID x 27.2 mm OD

1шт.

6

862-10030

HEX SOC SCREW,M10 x 30mm, Cl 12.9

16шт.

7

KRJ10720

PLATE

1шт.

8

152085A1

COLLAR

1шт.

9

167183A1

BOLT,Sems, M12 x 60mm, Cl 10.9

1шт.

10

KLJ11120

BRACKET

1шт.

11

166352A1

BOLT

2шт.

12

152085A1

COLLAR

1шт.

13

167183A1

BOLT,Sems, M12 x 60mm, Cl 10.9

1шт.

14

KLJ10680

HOSE ASSY.,15.90 mm ID x 470.00 mm

4шт.

Выбрано товаров: 14