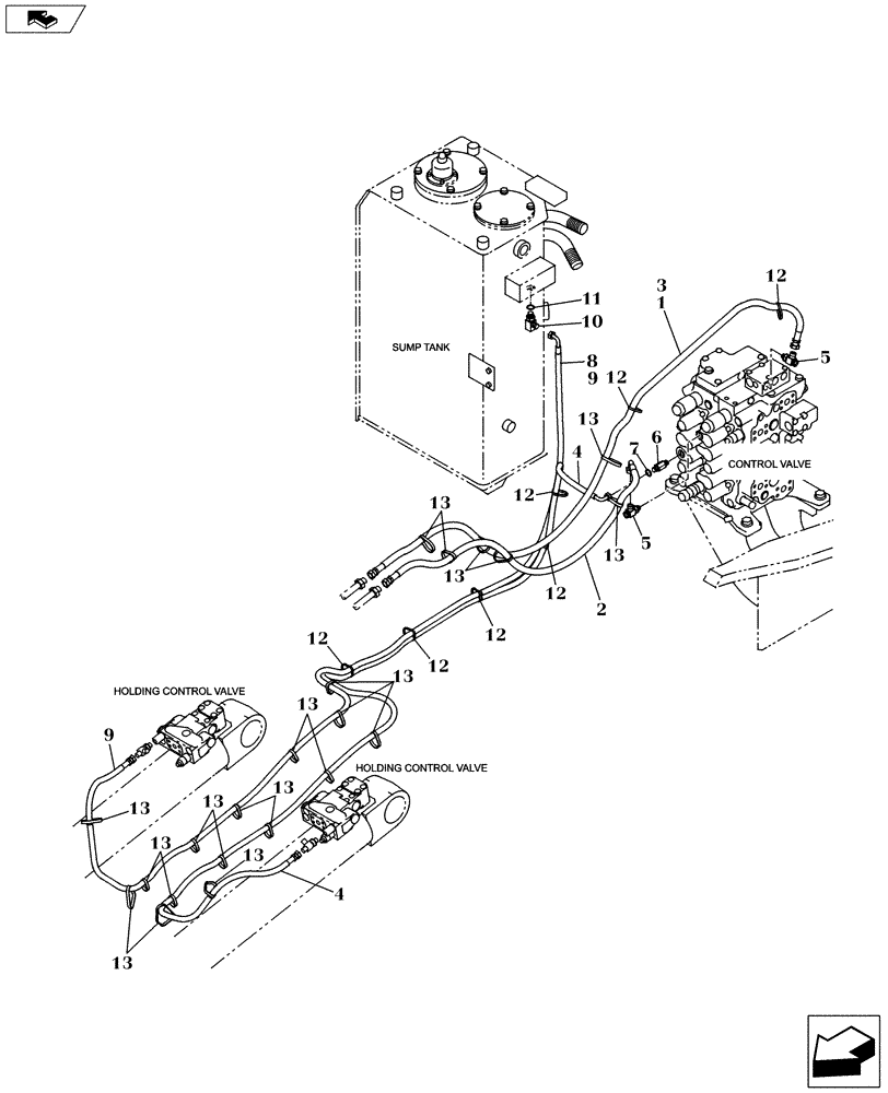
Запчасти Case CX160C (35.357.AK[05]) - PILOT CONTROL LINE - HBCV (35) - HYDRAULIC SYSTEMS

Схема запчастей Case CX160C - (35.357.AK[05]) - PILOT CONTROL LINE - HBCV (35) - HYDRAULIC SYSTEMS
13
home
13
4
1
12
1
11
7
5
13
13
13
8
9
6
13
13
9
2
13
3
12
12
12
13
4
5
13
10
12
13
1
12
12
13
FIT
1:1
100%

Артикул

Название

Примечание

Количество

1

NSS

NOT SOLD SEPARAT

Hose Set, Incl in KG0LJ346, Incl 2 - 4

1шт.

2

KHJ26860

HOSE ASSY.

1шт.

3

KHJ17030

HYDRAULIC HOSE

1шт.

4

KHJ17020

HYDRAULIC HOSE

1шт.

5

KHJ11560

TEE

2шт.

6

162554A1

FITTING

1шт.

7

154467A1

O-RING,10.8mm ID x 2.4mm Width

1шт.

8

NSS

NOT SOLD SEPARAT

Hose Set, , Incl in KG0LJ346, Incl 9

1шт.

9

KHJ17010

HYDRAULIC HOSE

1шт.

10

KHJ2773

TEE

1шт.

11

154467A1

O-RING,10.8mm ID x 2.4mm Width

1шт.

12

150496A1

MOUNTING CLIP

7шт.

13

150071A1

MOUNTING CLIP

21шт.

Выбрано товаров: 13