Запчасти Case CX160C (55.201.01[01]) - ENGINE, ELECTRIC SYSTEM CONTROL (55) - ELECTRICAL SYSTEMS

Схема запчастей Case CX160C - (55.201.01[01]) - ENGINE, ELECTRIC SYSTEM CONTROL (55) - ELECTRICAL SYSTEMS
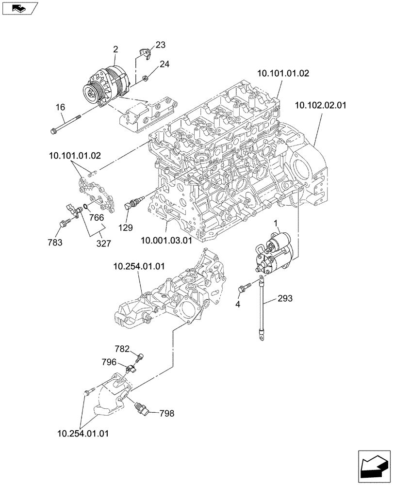
10.254.01.01
23
796
10.101.01.02
4
783
327
2
16
293
24
1
10.001.03.01
129
798
782
766
10.101.01 02
10.254.01.01
10.102.02.01
FIT
1:1
100%

Артикул

Название

Примечание

Количество

1

87560087

STARTER MOTOR

1шт.

1

87560087R

REMAN-STARTER

CX160C CRAWLER EXCAVATOR - TIER 4 (NA) (4/12-)

1шт.

1

87560087C

CORE-STARTER

Return Number

1шт.

2

87709229

ALTERNATOR

1шт.

2

87709229R

REMAN-ALTERNATOR

CX160C CRAWLER EXCAVATOR - TIER 4 (NA) (4/12-)

1шт.

2

87709229C

CORE-ALTERNATOR

Return Number

1шт.

4

87597117

BOLT

2шт.

16

87599818

BOLT

1шт.

24

426067A1

FLANGE NUT

1шт.

129

87386231

SENSOR

1шт.

293

86990207

CABLE

1шт.

327

87595926

SENSOR

CMP

1шт.

766

87595936

GASKET

1шт.

782

84387982

BOLT

2шт.

783

87595938

BOLT

1шт.

796

84388065

SENSOR

Boost pressure

1шт.

798

87378549

SENSOR

1шт.

Выбрано товаров: 17