Качественные детали и логистика
Оригинальные и аналоговые запчасти с доставкой по России, Казахстану и Беларуси
©2022 PartSell ООО "Система" ИНН 2463123282 ОГРН 1212400004838
Центральный офис: г. Красноярск, Академика Киренского, д.87, пом.4
Телефон: 8 (800) 777-65-74 Email: zakaz@partsell.ru
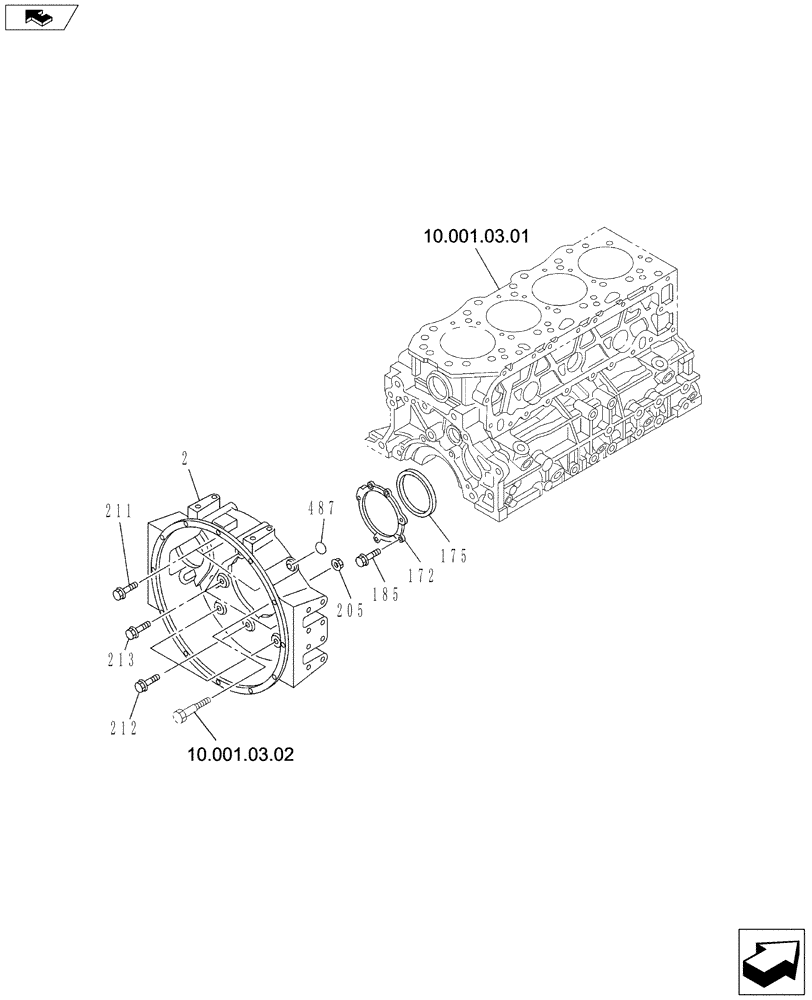
(10.102.BB[02]) - FLYWHEEL HOUSING
№
Артикул
Название
Примечание
Количество
2
87596941
HOUSING
1шт.
172
84590775
RETAINER
175
355280A1
OIL SEAL
185
87595918
BOLT
5шт.
205
87596885
NUT
211
87597112
3шт.
212
87597117
4шт.
213
355282A1
487
86989867
COVER
Выбрано товаров: 0