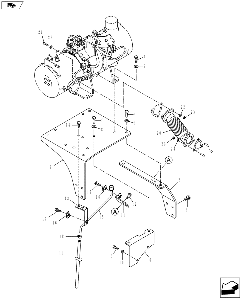
Запчасти Case CX160C (10.254.AI) - MUFFLER - STANDARD (10) - ENGINE

Схема запчастей Case CX160C - (10.254.AI) - MUFFLER - STANDARD (10) - ENGINE
16
4
12
15
6
1
22
5
4
19
5
23
2
17
20
23
24
10
9
1
11
3
7
22
8
1
18
14
home
21
17
16
13
FIT
1:1
100%

Артикул

Название

Примечание

Количество

1

KNH11060

BRACKET

1шт.

2

KNH11070

BRACKET

1шт.

3

166352A1

BOLT

6шт.

4

627-12035

BOLT,Hex, M12 x 1.75 x 35mm, Cl 10.9, Full Thd

6шт.

5

150811A1

WASHER

6шт.

6

KNH11080

BRACKET

1шт.

7

627-12035

BOLT,Hex, M12 x 1.75 x 35mm, Cl 10.9, Full Thd

2шт.

8

150811A1

WASHER

2шт.

9

627-10035

BOLT,Hex, M10 x 1.5 x 35mm, Cl 10.9, Full Thd

2шт.

10

150409A1

WASHER

2шт.

11

KNH10770

BRACKET

1шт.

12

166347A1

BOLT,Sems, M10 x 30mm

2шт.

13

KNH10780

BRACKET

1шт.

14

166347A1

BOLT,Sems, M10 x 30mm

2шт.

15

KNH10790

PIPE

1шт.

16

KLH11320

CLAMP

2шт.

17

166347A1

BOLT,Sems, M10 x 30mm

2шт.

18

KHH0405

MOUNTING CLIP

1шт.

19

KHH14110

HOSE

1шт.

20

KNH10760

EXHAUST SYSTEM PIPE

1шт.

21

827-8035

BOLT,Hex, M8 x 1.25 x 35mm, Cl 10.9

3шт.

22

153081A1

WASHER

6шт.

23

829-1408

NUT,Hex, M8 x 1.25, Cl 10.9

6шт.

24

183-108VR

SPRING WASHER

3шт.

Выбрано товаров: 24