Запчасти Case CX210C LC (55.100.01[01]) - CHASSIS ELECTRICAL CIRCUIT (55) - ELECTRICAL SYSTEMS

Схема запчастей Case CX210C LC - (55.100.01[01]) - CHASSIS ELECTRICAL CIRCUIT (55) - ELECTRICAL SYSTEMS
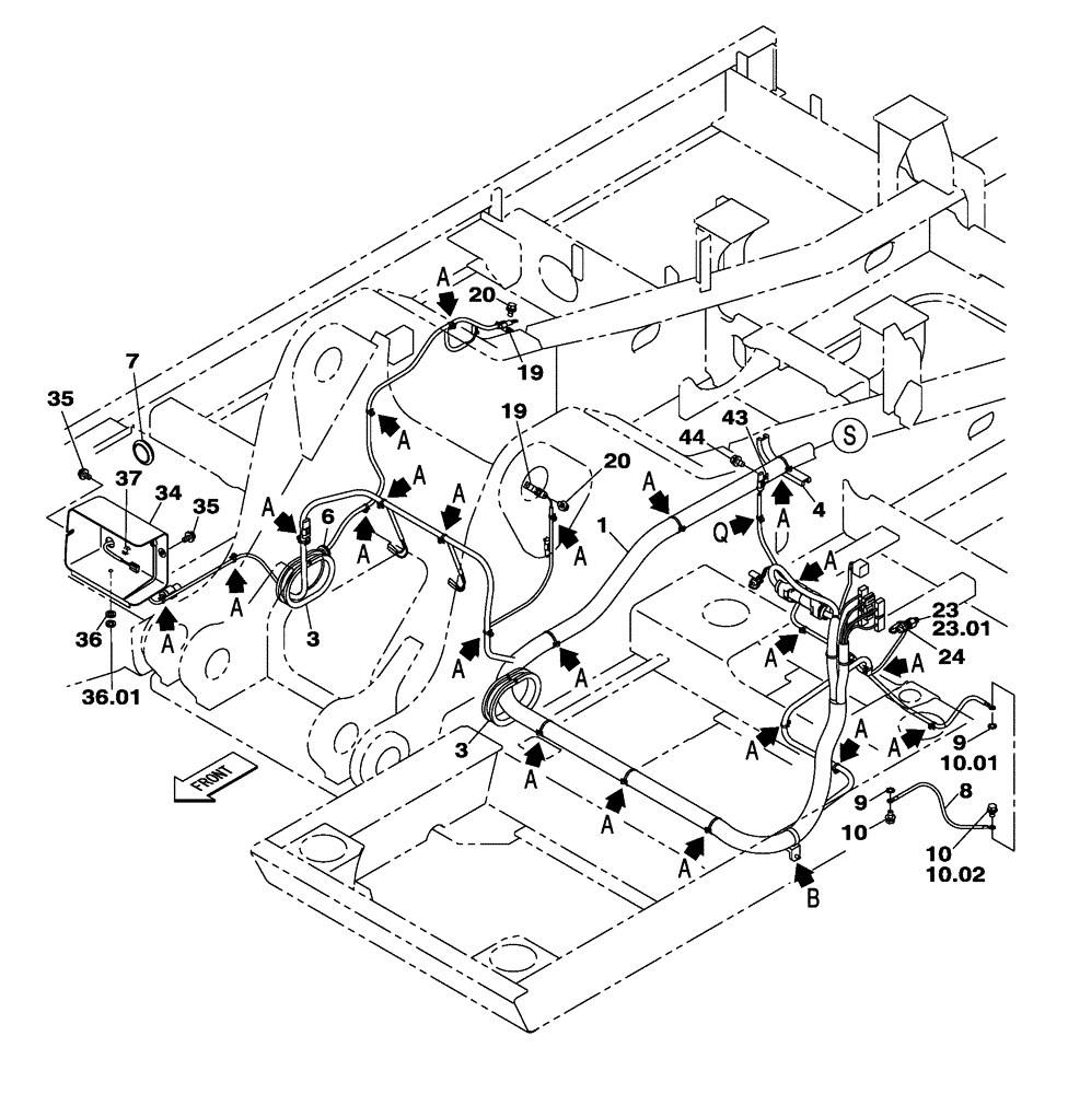
10
3
37
7
1
10.01
34
8
6
19
36
10.02
35
44
10
35
20
36.01
43
3
23.01
9
19
9
23
24
4
20
FIT
1:1
100%

Артикул

Название

Примечание

Количество

1

KRR16741

WIRE HARNESS

1шт.

3

KHR15030

SEAL PROTECTION

2шт.

4

KRJ27900

SEAL PROTECTION

1шт.

6

150520A1

GROMMET

1шт.

7

KHN2651

GROMMET

1шт.

8

KHR28730

GROUND CABLE

1шт.

9

893-11008

LOCK WASHER,Ext Tooth, M8

1шт.

10

167518A1

BOLT

1шт.

10.01

893-11010

LOCK WASHER,Ext Tooth, M10

1шт.

10.02

KHJ1215

BOLT,Spcl

1шт.

15

KHR2581

CLAMP

2шт.

16

KHJ1215

BOLT,Spcl

2шт.

19

158962A1

CLIP

2шт.

20

167518A1

BOLT

2шт.

21

KHR10220

MOUNTING CLIP

57шт.

22

150496A1

MOUNTING CLIP

57шт.

23

KHR26940

SENSOR

1шт.

23.01

150960A1

O-RING,10.8mm ID x 2.4mm Width

1шт.

24

150496A1

MOUNTING CLIP

1шт.

34

KHR23270

BRACKET

1шт.

35

KHJ1215

BOLT,Spcl

2шт.

36

KHN0539

WASHER

1шт.

36.01

183-108VR

SPRING WASHER

1шт.

37

150496A1

MOUNTING CLIP

1шт.

43

158962A1

CLIP

3шт.

44

167518A1

BOLT

3шт.

45

KHR10220

MOUNTING CLIP

3шт.

46

150496A1

MOUNTING CLIP

3шт.

Выбрано товаров: 28