Качественные детали и логистика
Оригинальные и аналоговые запчасти с доставкой по России, Казахстану и Беларуси
©2022 PartSell ООО "Система" ИНН 2463123282 ОГРН 1212400004838
Центральный офис: г. Красноярск, Академика Киренского, д.87, пом.4
Телефон: 8 (800) 777-65-74 Email: zakaz@partsell.ru
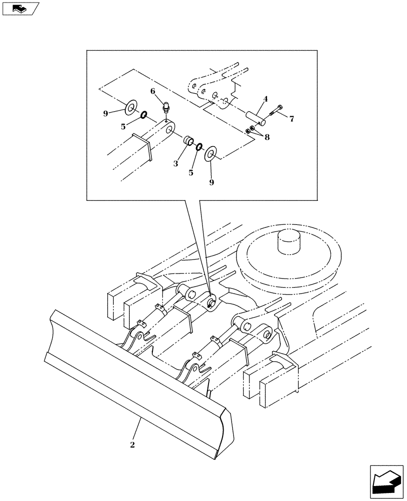
(86.110.01) - BLADE (2.8MT)
№
Артикул
Название
Примечание
Количество
2
KRV15740
BULL BLADE
1шт.
3
KRV3314
BUSHING
2шт.
4
160446A1
PIN,75mm OD x 241mm L
PIN, ATT
5
160400A1
SEAL,75mm ID x 90mm OD x 5mm Thk
SEAL, DUST
4шт.
6
153912A1
LUBE NIPPLE,90 Degree, 1/8"-27 NPT x 21.5mm lg
NIPPLE, GREASE
7
514-1221
BOLT,Hex, M20 x 1.5 x 160mm, Cl 10.9
BOLT, HIGH STRENGTH
8
829-11420
NUT,M20 x 1.5, Cl 10
NUT, HIGH STRENGTH
9
KRV2507
SHIM
8шт.
Выбрано товаров: 0