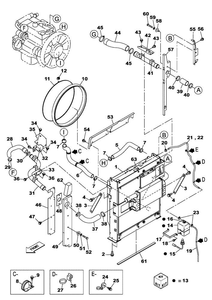
Запчасти Case CX235C SR (10.400.02) - ENGINE WATER CIRCUIT - RADIATOR (10) - ENGINE

Схема запчастей Case CX235C SR - (10.400.02) - ENGINE WATER CIRCUIT - RADIATOR (10) - ENGINE
13
38
62
40
50
10
23
43
36
34
56
11
27
13
1
44
33
52
9
30
16
45
29
43
49
53
37
41
60
26
40
4
4
59
4
54
38
14
13
32
46
3
13
7
24
25
3
63
5
45
7
34
48
28
7
57
39
61
31
36
18
22
19
20
7
34
8
55
35
12
2
6
51
42
17
47
21
15
58
FIT
1:1
100%

Артикул

Название

Примечание

Количество

1

KRH15060

RADIATOR

1шт.

2

166373A1

BOLT,Sems, M16 x 40mm

M16 X 40

4шт.

3

KRH13850

STAY

2шт.

4

166373A1

BOLT,Sems, M16 x 40mm

M16 X 40

4шт.

5

KBH10820

RADIATOR HOSE,49.00 mm ID

1шт.

6

KRH13750

RADIATOR HOSE

1шт.

7

165793A1

COLLAR

4шт.

9

167320A1

BOLT,Spcl, M8 x 20mm

M8 X 20

2шт.

10

KRH12850

RUBBER SEAL

1шт.

11

KHH12390

MOUNTING CLIP

250 mm

1шт.

12

KHH12410

COLLAR CLAMP

1шт.

13

KHH12400

MOUNTING CLIP

Incl 14 - 16

1шт.

14

KHH10840

RESERVOIR, COOLANT E

1шт.

15

161740A1

SWITCH

1шт.

16

KHH10860

PLASTIC PLUG

1шт.

17

KRH1270

HOLDER

1шт.

18

166052A1

BOLT

2шт.

19

KHH0398

HOSE,7mm ID x 650mm L

650 mm

1шт.

20

165951A1

CLAMP

1шт.

21

KHH0389

HOSE

1шт.

22

KBR0665

PLASTIC-RUBBER TUBE

13000 mm

1шт.

23

165951A1

CLAMP

2шт.

24

KHR2584

CLAMP

1шт.

25

KHJ1215

BOLT,Spcl

M8 X 25

1шт.

26

KHR10220

MOUNTING CLIP

3шт.

27

150496A1

MOUNTING CLIP

250 mm

3шт.

28

KRH13760

LARGE HOSE

HOSE,LARGE

1шт.

29

164966A1

HOSE CLAMP

1шт.

30

164967A1

COLLAR

1шт.

31

KRH13770

PIPE

1шт.

32

KRH13790

BRACKET, SUPPORTING

1шт.

33

KRH13800

BRACKET, SUPPORTING

1шт.

34

152718A1

BOLT,Spcl, Hex Wshr, M12 x 25mm, Cl 10.9

4шт.

35

KRH13780

COVER

1шт.

36

152718A1

BOLT,Spcl, Hex Wshr, M12 x 25mm, Cl 10.9

2шт.

37

KRH12190

AIR HOSE

1шт.

38

164967A1

COLLAR

2шт.

39

KRH13810

LARGE HOSE

HOSE,LARGE

1шт.

40

164967A1

COLLAR

2шт.

41

KRH10320

SUCTION PIPE

1шт.

42

KRH13830

BRACKET, SUPPORTING

1шт.

43

152718A1

BOLT,Spcl, Hex Wshr, M12 x 25mm, Cl 10.9

4шт.

44

KRH13840

LARGE HOSE

HOSE,LARGE

1шт.

45

KHH0411

COLLAR

2шт.

46

KRH13860

BRACKET, SUPPORTING

1шт.

47

166345A1

BOLT

M8 X 16

4шт.

48

KBH0929

RUBBER

1шт.

49

KRH13880

SEAL

1шт.

50

KHH0358

RETAINER

5шт.

51

895-11008

WASHER,9mm ID x 16mm OD x 1.6mm Thk

5шт.

52

827-8040

BOLT,Hex, M8 x 1.25 x 40mm, Cl 10.9

5шт.

53

KRH15280

BRACKET

1шт.

54

166345A1

BOLT

M8 X 16

5шт.

55

KRH14070

BRACKET

1шт.

56

166345A1

BOLT

M8 X 16

3шт.

57

KRH14080

SEAL

1шт.

58

KHH0358

RETAINER

2шт.

59

895-11008

WASHER,9mm ID x 16mm OD x 1.6mm Thk

2шт.

60

827-8040

BOLT,Hex, M8 x 1.25 x 40mm, Cl 10.9

2шт.

61

KRH15160

SEAL PROTECTION

1шт.

62

KRH15290

SEAL

1шт.

63

162468A1

DECAL

1шт.

Выбрано товаров: 62