Запчасти Case CX235C SR (35.310.02) - HYD. LINE - PRESSURE (35) - HYDRAULIC SYSTEMS

Схема запчастей Case CX235C SR - (35.310.02) - HYD. LINE - PRESSURE (35) - HYDRAULIC SYSTEMS
6
9
2
10
14
11
13
8
16
19
11
14
17
14
16
18
5
home
4
3
15
20
1
7
12
2
12
FIT
1:1
100%

Артикул

Название

Примечание

Количество

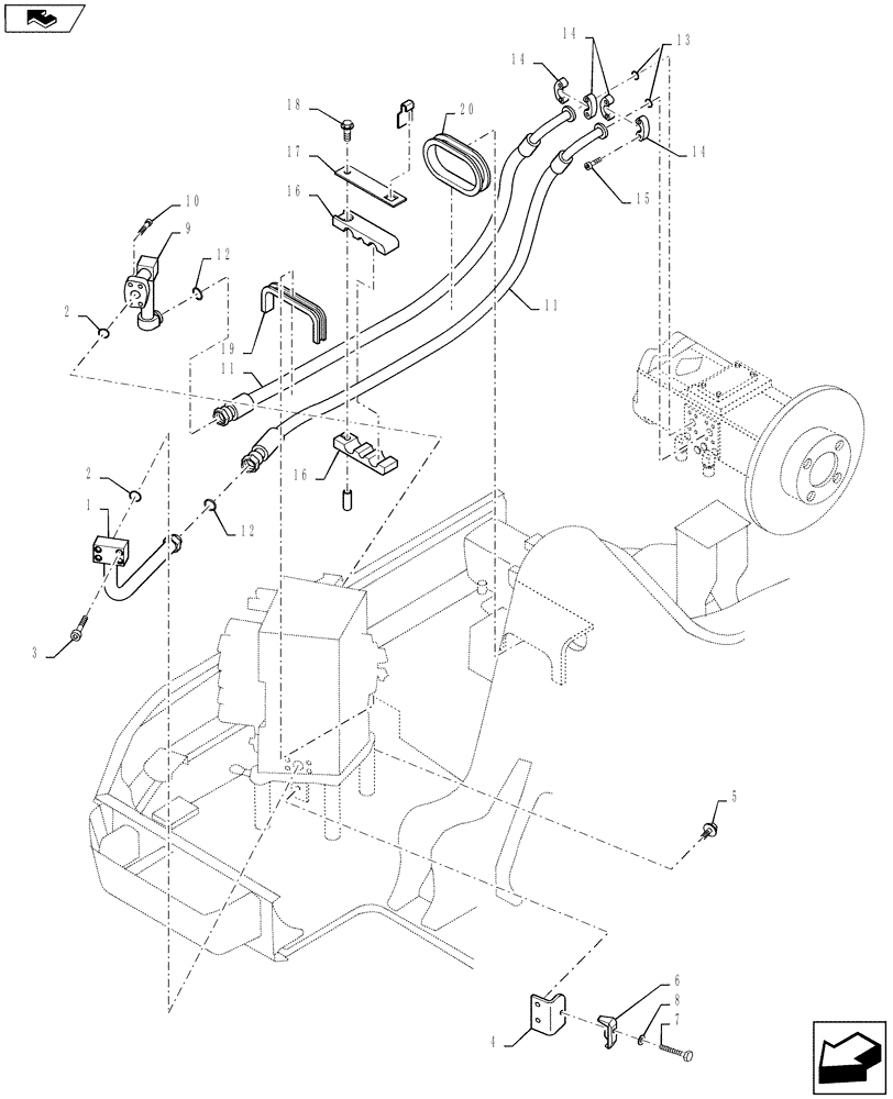
1

KRJ28230

PIPE

1шт.

2

155211A1

O-RING

2шт.

3

862-12050

HEX SOC SCREW,M12 x 50mm, Cl 12.9

4шт.

4

KRJ28290

BRACKET

1шт.

5

152718A1

BOLT,Spcl, Hex Wshr, M12 x 25mm, Cl 10.9

2шт.

6

152974A1

COLLAR

1шт.

7

827-12065

BOLT,Hex, M12 x 1.75 x 65mm, Cl 10.9

1шт.

8

150811A1

WASHER

1шт.

9

KRJ28240

PIPE

1шт.

10

862-12035

HEX SOC SCREW,M12 x 35mm, Cl 12.9

4шт.

11

KRJ28260

HYDRAULIC HOSE

2шт.

12

KHJ1361

O-RING,0.07" Thk x 0.926" ID

2шт.

13

155210A1

O-RING

2шт.

14

152598A1

HALF-COLLAR

4шт.

15

862-10030

HEX SOC SCREW,M10 x 30mm, Cl 12.9

8шт.

16

KRJ31000

HOSE CLAMP

4шт.

17

KRJ28280

PLATE

2шт.

18

166347A1

BOLT,Sems, M10 x 30mm

2шт.

19

151010A1

CUSHION

1шт.

20

KRJ31510

CUSHION

1шт.

Выбрано товаров: 20