Запчасти Case CX235C SR (35.310.05) - HYD. LINE - SWING MOTOR (35) - HYDRAULIC SYSTEMS

Схема запчастей Case CX235C SR - (35.310.05) - HYD. LINE - SWING MOTOR (35) - HYDRAULIC SYSTEMS
6
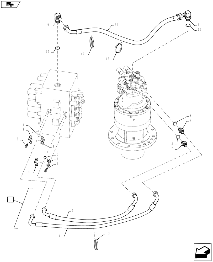
5
10
12
5
12
home
4
9
6
4
8
9
3
4
7
7
11
2
4
8
10
1
12
FIT
1:1
100%

Артикул

Название

Примечание

Количество

1

NSS

NOT SOLD SEPARAT

Hose Set, Incl 2 - 3

1шт.

2

KRJ31630

HYDRAULIC HOSE

1шт.

3

KRJ31620

HYDRAULIC HOSE

1шт.

4

153458A1

FLANGE

4шт.

5

155210A1

O-RING

2шт.

6

862-10030

HEX SOC SCREW,M10 x 30mm, Cl 12.9

8шт.

7

151654A1

HYD CONNECTOR,3/4" NPT O-Ring x 3/4" NPT

2шт.

8

154503A1

O-RING

2шт.

9

157581A1

ELBOW,90 Degree, 1" O-Ring x 1"

2шт.

10

154523A1

O-RING

2шт.

11

KRJ30520

HYDRAULIC HOSE

1шт.

12

150071A1

MOUNTING CLIP

3шт.

Выбрано товаров: 12