Запчасти Case CX250C (08-060[00]) - SWING HYDRAULIC MOTOR (08) - HYDRAULICS

Схема запчастей Case CX250C - (08-060[00]) - SWING HYDRAULIC MOTOR (08) - HYDRAULICS
31
27
2
33
20
21
30
15
38
7
38
38
38
37
47
26
3
14
46
1
5
19
18
24
4
17
16
32
28
36
41
45
38
38
9
11
29
6
10
22
38
35
39
25
44
38
23
43
8
13
38
29
40
26
42
34
38
FIT
1:1
100%

Артикул

Название

Примечание

Количество

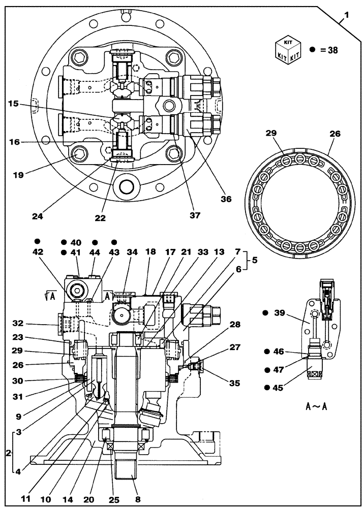
1

KBC10020

MOTO-REDUCTION GEAR

1шт.

Include(s) 2 - 47

1шт.

1

KBC10020R

REMAN-HYD MOTOR

CX240B TIER 3 (1/07-), CX250C TIER 4, Both CRAWLER EXCAVATOR (NA)

1шт.

1

KBC10020C

CORE-MOTOR HYDRAULIC

Return Number

1шт.

2

TJ00196

PISTON

1шт.

Include(s) 3, 4

1шт.

3

NSS

NOT SOLD SEPARAT

9шт.

4

NSS

NOT SOLD SEPARAT

9шт.

5

LW005080

BOX

1шт.

Include(s) 6, 7

1шт.

6

NSS

NOT SOLD SEPARAT

1шт.

7

NSS

NOT SOLD SEPARAT

2шт.

8

LB011850

SHAFT

1шт.

9

TJ00195

BARREL

1шт.

10

TG00069

SPRING

1шт.

11

TR00130

PLATE

1шт.

12

LR015160

PLATE

1шт.

13

TR00129

PLATE

1шт.

14

LW005090

BOX

1шт.

15

LJ00529

PLUNGER

2шт.

16

LG00237

SPRING

2шт.

17

NSS

NOT SOLD SEPARAT

1шт.

18

NSS

NOT SOLD SEPARAT

2шт.

19

108R020Y045R

BOLT

4шт.

20

LB011860

BEARING, ROLLER, CYL,45mm ID x 100mm OD x 25mm W

1шт.

21

LB011870

BEARING, ROLLER, CYL,25mm ID x 62mm OD x 24mm W

1шт.

22

LK00346

PLUG

2шт.

23

LE014720

O-RING

1шт.

24

154543A1

O-RING

2шт.

25

CDP0936

OIL SEAL

1шт.

26

LJ00748

PISTON

1шт.

27

LE015110

O-RING

1шт.

28

155216A1

O-RING

1шт.

29

156099A1

SPRING

14шт.

30

TR00128

PLATE

3шт.

31

TR00127

ADJUSTING PLATE

4шт.

32

LK005660

PLUG

2шт.

33

LK005670

PLUG

1шт.

34

LK00025

PLUG

1шт.

35

LK005680

PLUG

1шт.

36

LJ00910

VALVE PRESSURE RELIE

2шт.

Include(s) 37

1шт.

37

154529A1

O-RING

2шт.

38

LJ01281

VALVE SECTION

1шт.

Include(s) 39 - 47

1шт.

39

162755A1

CASING

2шт.

40

LK00015

PLUG

2шт.

41

154467A1

O-RING,10.8mm ID x 2.4mm Width

2шт.

42

LE014730

O-RING

2шт.

43

LE013460

O-RING

2шт.

44

108R008Z055N

BOLT

2шт.

45

LNM0640

VALVE

2шт.

Include(s) 46, 47

1шт.

46

154491A1

O-RING

1шт.

47

153973A1

BACK-UP RING

1шт.

Выбрано товаров: 55