Запчасти Case CX300C (08-100-00[01]) - HIGH PRESSURE PUMP - STANDARD (08) - HYDRAULICS

Схема запчастей Case CX300C - (08-100-00[01]) - HIGH PRESSURE PUMP - STANDARD (08) - HYDRAULICS
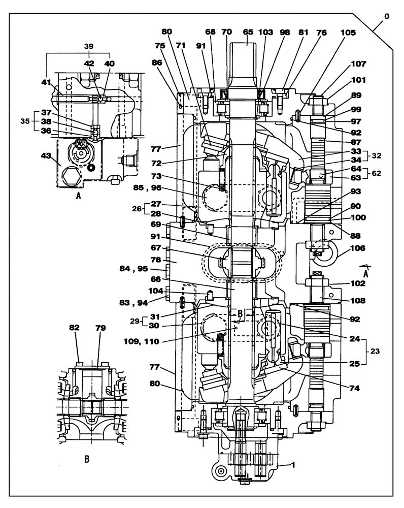
29
33
41
90
98
31
87
108
72
23
71
99
36
84
103
1
24
73
62
92
70
34
42
82
94
85
106
76
105
86
77
79
91
83
30
39
66
102
0
104
100
80
40
93
38
65
88
77
110
35
28
25
109
67
96
43
80
81
97
32
75
95
26
91
68
89
69
107
101
63
74
92
27
37
78
64
FIT
1:1
100%

Артикул

Название

Примечание

Количество

0

KBJ14600

HYDRAULIC PUMP

1шт.

Include(s) 1 - 110, And See Figure(s) 08-101-00 01 - 08-104-00 01

1шт.

0

KBJ14600R

REMAN-HYD PUMP

CX300C CRAWLER EXCAVATOR TIER 4 (NA), STANDARD (3/11-)

1шт.

0

KBJ14600C

CORE-HYDRAULIC PUMP

Return Number

1шт.

1

LJ018430

HYDRAULIC PUMP

1шт.

See Figure(s) 08-101-00 01

1шт.

23

LJ018460

PISTON

2шт.

Include(s) 24, 25

1шт.

24

NSS

NOT SOLD SEPARAT

Piston

9шт.

25

NSS

NOT SOLD SEPARAT

Shoe

9шт.

26

LJ018650

HYD PUMP REPAIR KIT

1шт.

Include(s) 27, 28

1шт.

27

NSS

NOT SOLD SEPARAT

Block, Cylinder

1шт.

28

NSS

NOT SOLD SEPARAT

Plate

1шт.

29

LJ018660

HYD PUMP REPAIR KIT

1шт.

Include(s) 30, 31

1шт.

30

NSS

NOT SOLD SEPARAT

Block, Cylinder

1шт.

31

NSS

NOT SOLD SEPARAT

Plate

1шт.

32

LR012710

VALVE POPPET

2шт.

Include(s) 33, 34

1шт.

33

NSS

NOT SOLD SEPARAT

Plate

1шт.

34

NSS

NOT SOLD SEPARAT

Bushing

1шт.

35

TNP0022

VALVE

Check

1шт.

Include(s) 36 - 38

1шт.

36

NSS

NOT SOLD SEPARAT

Seat

1шт.

37

NSS

NOT SOLD SEPARAT

Stopper

1шт.

38

NSS

NOT SOLD SEPARAT

Ball

1шт.

39

TNP0023

VALVE

Check

2шт.

Include(s) 40 - 42

1шт.

40

NSS

NOT SOLD SEPARAT

Seat

1шт.

41

NSS

NOT SOLD SEPARAT

Stopper

1шт.

42

NSS

NOT SOLD SEPARAT

Ball

1шт.

43

LJ014460

VALVE SECTION

1шт.

See Figure(s) 08-102-00 01

1шт.

62

TA00050

SPECIAL PIN

2шт.

Include(s) 63, 64

1шт.

63

NSS

NOT SOLD SEPARAT

Pin

1шт.

64

NSS

NOT SOLD SEPARAT

Pin

1шт.

65

LB00925

DRIVE SHAFT

1шт.

66

LB00926

DRIVE SHAFT

1шт.

67

TC00021

GEAR

1шт.

68

TB00026

BEARING, ROLLER, CYL,40mm ID x 90mm OD x 23mm W

2шт.

69

TB00025

NEEDLE BEARING,33 mm ID x 47 mm OD x 32 mm

2шт.

70

156963A1

SPACER

4шт.

71

TR00047

PLATE

2шт.

72

169288A1

BUSHING

2шт.

73

TG00025

SPRING

18шт.

74

160113A1

PLATE

Shoe

2шт.

75

LS002640

SPOOL

2шт.

76

TW00032

COVER

1шт.

77

LJ014520

HYDRAULIC PUMP

2шт.

78

LS00235

BLOCK

1шт.

79

NSS

NOT SOLD SEPARAT

Cover

1шт.

80

167078A1

BOLT,M8 x 40mm, Cl 12.9

M8 x 40; 12,9

8шт.

81

861-8020

HEX SOC SCREW,M8 x 20mm, Cl 12.9

4шт.

82

863-10020

HEX SOC SCREW,M10 x 20mm, Cl 12.9

4шт.

83

155496A1

PLUG

2шт.

84

TLM0023

PLUG

2шт.

85

155471A1

PLUG

4шт.

86

LK00003

PLUG

32шт.

87

TJ00066

PISTON

2шт.

88

160115A1

STOP

2шт.

89

160116A1

STOP

2шт.

90

154553A1

O-RING

2шт.

91

LE013510

O-RING

(used under cover on top of pump or under aux gear pump)

2шт.

92

LE013500

O-RING

4шт.

93

LE013470

O-RING

16шт.

94

LE013410

O-RING

6шт.

95

LE013490

O-RING

2шт.

96

LE013440

O-RING

4шт.

97

LE01177

O-RING

2шт.

98

LE018630

OIL SEAL

1шт.

99

153970A1

BACK-UP RING

2шт.

100

154017A1

BACK-UP RING

2шт.

101

164R016VR

NUT

2шт.

102

829-1420

NUT,M20, Cl 10

2шт.

103

800-1140

SNAP RING,M40, Ext

2шт.

104

156954A1

DOWEL

2шт.

105

338W060Z014B

LINCH PIN

4шт.

106

126R010SR

EYEBOLT

BOLT, EYE

2шт.

107

LA00036

SET SCREW,Hex

2шт.

108

160296A1

SET SCREW

2шт.

109

NSS

NOT SOLD SEPARAT

Name Plate

1шт.

110

NSS

NOT SOLD SEPARAT

Rivet

2шт.

Выбрано товаров: 84