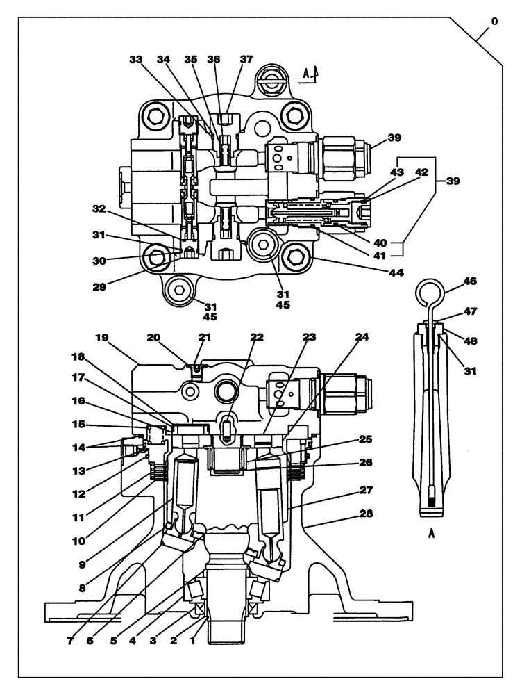
Запчасти Case CX300C (08-220-00[01]) - SWING HYDRAULIC MOTOR (08) - HYDRAULICS

Схема запчастей Case CX300C - (08-220-00[01]) - SWING HYDRAULIC MOTOR (08) - HYDRAULICS
39
18
24
1
34
28
4
8
23
11
16
2
5
39
42
30
6
47
44
46
13
32
27
9
35
43
48
14
45
3
36
26
0
29
31
22
41
17
31
7
31
19
10
31
12
37
40
45
25
15
20
21
FIT
1:1
100%

Артикул

Название

Примечание

Количество

0

KBC10130

HYDRAULIC MOTOR

1шт.

Include(s) 1 - 48

1шт.

0

LJ016070R

REMAN-HYD MOTOR

1шт.

0

LJ016070C

CORE-MOTOR HYDRAULIC

Return Number

1шт.

1

155613A1

RING, LOCKING

RING, LOCK

1шт.

2

155620A1

SPACER

1шт.

3

155106A1

OIL SEAL

1шт.

4

156133A1

TAPERED BEARING,45mm ID x 100mm OD x 27.25mm W

1шт.

6

LG00540

SPRING

1шт.

7

LF00001

CAM

1шт.

8

LR01166

PLATE

1шт.

9

NSS

NOT SOLD SEPARAT

Piston

9шт.

10

LR00040

PLATE

4шт.

11

LR00041

PLATE

4шт.

12

155199A1

O-RING

1шт.

13

LJ00042

PISTON

1шт.

14

LBQ5264

O-RING

2шт.

15

156082A1

SPRING

19шт.

16

LB00841

BUSHING

4шт.

17

LE01021

RING

4шт.

18

LA00848

WASHER

4шт.

19

NSS

NOT SOLD SEPARAT

Cover

1шт.

20

154467A1

O-RING,10.8mm ID x 2.4mm Width

2шт.

21

160306A1

CAP

2шт.

22

160101A1

COTTER PIN

2шт.

23

LJ00723

PISTON

2шт.

24

LR017710

PLATE

1шт.

25

LB00040

NEEDLE BEARING

1шт.

26

155614A1

RING, LOCKING

RING, LOCK

1шт.

27

NSS

NOT SOLD SEPARAT

Cylinder

1шт.

28

NSS

NOT SOLD SEPARAT

Housing

1шт.

29

LNM0426

VALVE POPPET

2шт.

30

166176A1

BACK-UP RING

2шт.

31

154487A1

O-RING

5шт.

32

154471A1

O-RING

2шт.

33

154515A1

O-RING

2шт.

34

153991A1

BACK-UP RING

2шт.

35

155944A1

PLUNGER

2шт.

36

156079A1

SPRING

2шт.

37

156305A1

CAP

2шт.

38

154535A1

O-RING

2шт.

39

LJ01143

VALVE, PRESSURE RELI

EF

2шт.

Include(s) 40 - 43

1шт.

40

154515A1

O-RING

1шт.

41

154535A1

O-RING

1шт.

42

154503A1

O-RING

1шт.

43

153982A1

BACK-UP RING

1шт.

44

861-20060

HEX SOC SCREW,M20 x 60mm, Cl 12.9

4шт.

45

160903A1

CAP

2шт.

46

LM00076

GAUGE

1шт.

47

155201A1

O-RING

1шт.

48

LR00895

CAP

1шт.

Выбрано товаров: 52