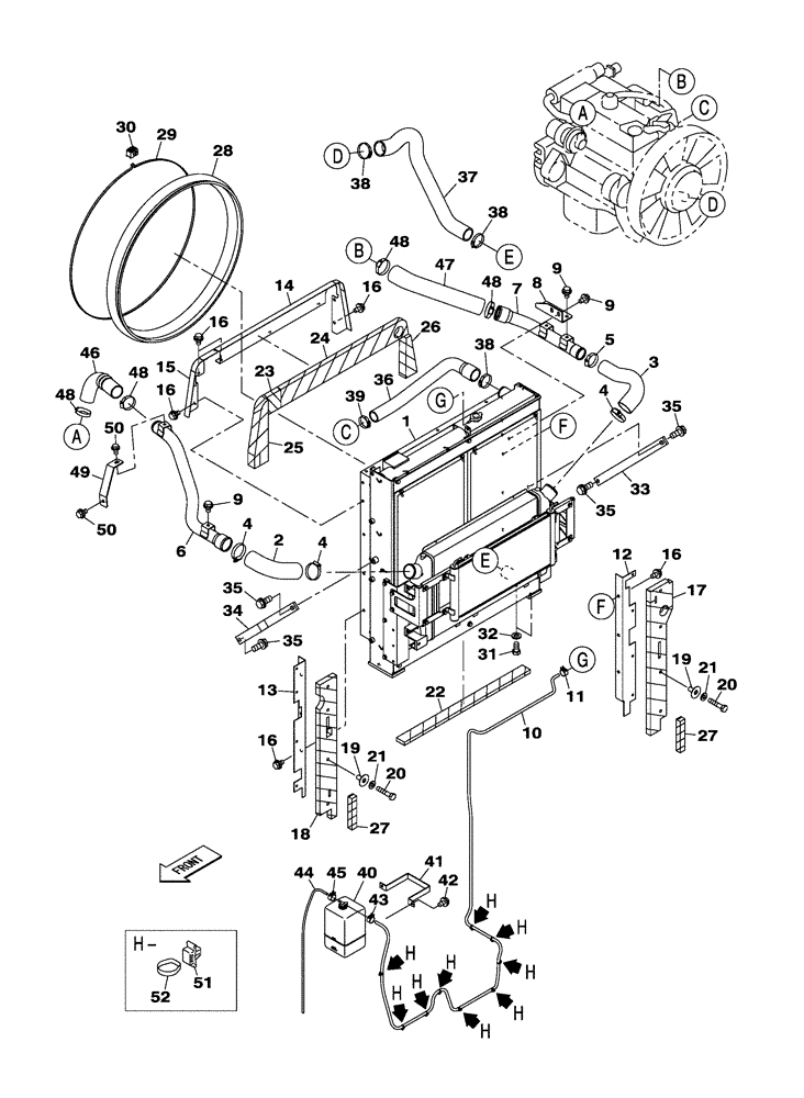
Запчасти Case CX300C (02-004-00[01]) - ENGINE WATER CIRCUIT - RADIATOR (02) - ENGINE

Схема запчастей Case CX300C - (02-004-00[01]) - ENGINE WATER CIRCUIT - RADIATOR (02) - ENGINE
16
1
20
4
38
35
42
46
31
20
40
34
44
52
4
21
16
9
38
18
35
29
8
48
50
14
16
6
12
37
35
16
39
33
22
3
51
25
43
27
48
10
27
48
15
28
38
30
41
21
32
2
49
5
35
36
45
50
4
47
19
24
26
11
7
16
9
23
48
17
9
13
19
FIT
1:1
100%

Артикул

Название

Примечание

Количество

1

KBH11640

RADIATOR

1шт.

See Figure(s) 02-004-01 01

1шт.

2

KBH11620

AIR HOSE

1шт.

3

KBH11630

AIR HOSE

1шт.

4

KHH0411

COLLAR

3шт.

5

164967A1

COLLAR

1шт.

6

KBH11910

PIPE

1шт.

7

KBH11660

PIPE

1шт.

8

KBH11920

BRACKET, SUPPORTING

1шт.

9

152718A1

BOLT,Spcl, Hex Wshr, M12 x 25mm, Cl 10.9

5шт.

10

KHH12290

HOSE,4000.00 mm

1шт.

11

165951A1

CLAMP

1шт.

12

KBH11680

BRACKET, SUPPORTING

1шт.

13

KBH11690

BRACKET, SUPPORTING

1шт.

14

KBH11700

BRACKET, SUPPORTING

1шт.

15

KBH11710

BRACKET, SUPPORTING

1шт.

16

152718A1

BOLT,Spcl, Hex Wshr, M12 x 25mm, Cl 10.9

14шт.

17

KBH11720

SEAL PROTECTION

1шт.

18

KBH11730

SEAL PROTECTION

1шт.

19

KHH0358

RETAINER

8шт.

20

827-8040

BOLT,Hex, M8 x 1.25 x 40mm, Cl 10.9

8шт.

21

895-11008

WASHER,9mm ID x 16mm OD x 1.6mm Thk

8шт.

22

KSH1050

SEAL

1шт.

23

KBH11740

SEAL PROTECTION

1шт.

24

KBH11750

SEAL PROTECTION

1шт.

25

KBH11760

SEAL PROTECTION

1шт.

26

KBH11770

SEAL PROTECTION

1шт.

27

KSH1063

SEAL

2шт.

28

KTH0632

FIXING STRIP

1шт.

29

KHH12400

MOUNTING CLIP

1шт.

30

KHH12410

COLLAR CLAMP

1шт.

31

627-16030

BOLT,Hex, M16 x 2 x 30mm, Cl 10.9, Full Thd

4шт.

32

150814A1

WASHER,17mm ID x 32mm OD x 4.5mm Thk

4шт.

33

KBH11780

STAY

1шт.

34

KBH11790

STAY

11шт.

35

166373A1

BOLT,Sems, M16 x 40mm

4шт.

36

KBH11800

RADIATOR HOSE

1шт.

37

KBH11810

RADIATOR HOSE

1шт.

38

165795A1

COLLAR

3шт.

39

165794A1

COLLAR

1шт.

40

KHH10850

RESERVOIR, COOLANT E

1шт.

41

167542A1

HOLDER

1шт.

42

166351A1

BOLT,Sems, M10 x 20mm

2шт.

43

165951A1

CLAMP

1шт.

44

KHH0499

HOSE

1шт.

45

165952A1

MOUNTING CLIP

1шт.

46

KSH1031

RADIATOR HOSE

1шт.

47

KBH11820

INTAKE AIR HOSE

1шт.

48

164968A1

COLLAR

4шт.

49

KBH11830

BRACKET, SUPPORTING

1шт.

50

152718A1

BOLT,Spcl, Hex Wshr, M12 x 25mm, Cl 10.9

2шт.

51

KHR10220

MOUNTING CLIP

9шт.

52

150496A1

MOUNTING CLIP

9шт.

Выбрано товаров: 53