Запчасти Case CX350C (08-047[01]) - TRAVEL MOTOR (08) - HYDRAULICS

Схема запчастей Case CX350C - (08-047[01]) - TRAVEL MOTOR (08) - HYDRAULICS
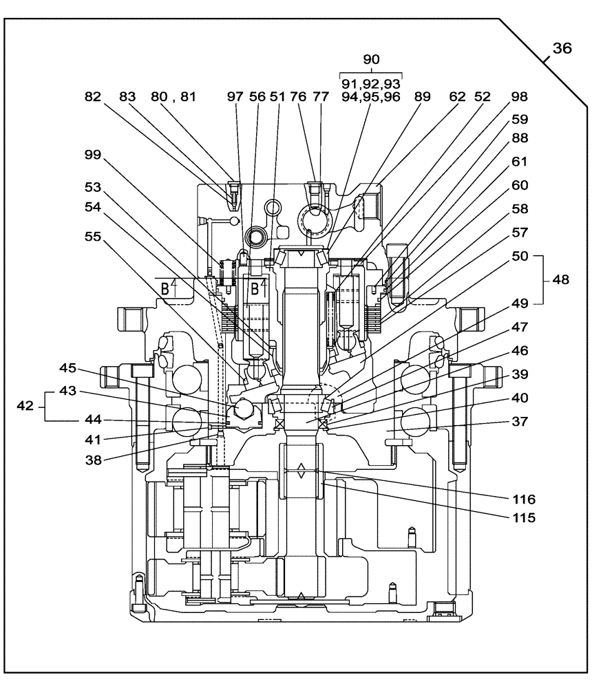
82
42
58
93
53
95
49
47
91
83
43
37
88
54
60
39
36
96
92
77
61
81
116
38
62
52
59
115
57
99
97
94
40
51
55
48
80
89
98
45
44
41
50
46
90
76
56
FIT
1:1
100%

Артикул

Название

Примечание

Количество

36

LJ018710

HYDRAULIC MOTOR

1шт.

Include(s) 37 - 116, And See Figure(s) 07-012-00 01

1шт.

36

LJ018710R

REMAN-HYD MOTOR

1шт.

36

LJ018710C

CORE-MOTOR HYDRAULIC

Return Number

1шт.

37

LW005840

HOUSING

1шт.

38

LK005330

PLUG

1шт.

39

LE00997

OIL SEAL

1шт.

40

800-2168

SNAP RING,M68, Int

1шт.

41

LK00394

PLUG

1шт.

42

LJ013800

PISTON

1шт.

Include(s) 43, 44

1шт.

43

NSS

NOT SOLD SEPARAT

1шт.

44

NSS

NOT SOLD SEPARAT

1шт.

45

LB011180

BALL

1шт.

46

LB00792

DRIVE SHAFT

1шт.

47

LB00796

TAPERED BEARING,45mm ID x 85mm OD x 24.75mm W

1шт.

48

LR013570

PLATE

1шт.

Include(s) 49, 50

1шт.

49

NSS

NOT SOLD SEPARAT

2шт.

50

NSS

NOT SOLD SEPARAT

1шт.

51

LS002910

BRACKET

1шт.

52

LG00430

COMPRESSION SPRING

9шт.

53

LR00950

SPRING SEAT

1шт.

54

LB00795

BALL JOINT

1шт.

55

LH00320

RETAINER

1шт.

56

LJ00968

JACK PISTON

9шт.

57

LR00859

ADJUSTING PLATE

7шт.

58

LR00858

PLATE

6шт.

59

LJ00954

PISTON

1шт.

60

LE012900

SEALING RING

SEALRING

1шт.

61

LE012910

SEALING RING

SEALRING

1шт.

62

LW004720

COVER

1шт.

76

LK00391

PLUG

2шт.

77

154467A1

O-RING,10.8mm ID x 2.4mm Width

2шт.

80

TK00028

PLUG

5шт.

81

154455A1

O-RING

5шт.

82

TJ00129

CHECK VALVE

3шт.

83

TG00045

SPRING

3шт.

88

LE00999

O-RING

1шт.

89

LB00797

TAPERED BEARING,35mm ID x 72mm OD x 24.25mm W

1шт.

90

LH00389

SHIM KIT

1шт.

Include(s) 91 - 96

1шт.

91

LH00428

SHIM,0.4mm Thk

1шт.

92

LH00429

SHIM,0.5mm Thk

1шт.

93

LH00430

SHIM,0.6mm Thk

1шт.

94

LH00431

SHIM,0.7mm Thk

1шт.

95

LH00432

SHIM,0.8mm Thk

1шт.

96

LH00433

SHIM,0.9mm Thk

1шт.

97

837-8012

DOWEL,M8 x 12

1шт.

98

LR00877

PLATE

1шт.

99

LG00431

COMPRESSION SPRING

14шт.

115

LB00793

COUPLING FLANGE

1шт.

116

800-2140

SNAP RING,M40, Int

1шт.

Выбрано товаров: 53