Запчасти Case CX470C (05-005-00[01]) - TENSION DAMPER (04) - UNDERCARRIAGE

Схема запчастей Case CX470C - (05-005-00[01]) - TENSION DAMPER (04) - UNDERCARRIAGE
15
17
7
11
5
16
2
4
6
13
3
10
18
12
9
14
1
8
FIT
1:1
100%

Артикул

Название

Примечание

Количество

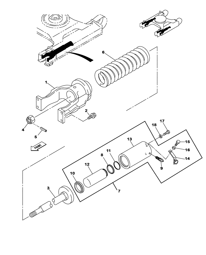
1

KTA1072

FORK

2шт.

2

165929A1

BOLT,Sems, M16

M16 x 50

8шт.

3

KTA1073

ROD

2шт.

4

166592A1

NUT

M76 x 6

2шт.

5

538-816

LOCK PIN,M10 x 100, Slotted

2шт.

6

KTA11470

COIL SPRING

2шт.

7

KTA11620

CYLINDER ASSY.

1шт.

Include(s) 8 - 16

1шт.

8

KTA11180

GASKET

1шт.

9

150107A1

LUBE NIPPLE

1шт.

10

166577A1

SEAL

SEALRING

1шт.

11

370A1050Z

SNAP RING

1шт.

12

KTA11190

PISTON ROD

1шт.

13

KTA11630

HYD CYL SLEEVE

1шт.

14

KTA11610

BRACKET

1шт.

15

627-12025

BOLT,Hex, M12 x 1.75 x 25mm, Cl 10.9, Full Thd

2шт.

16

183-112VR

SPRING WASHER

SW 12

2шт.

17

827-16070

BOLT,Hex, M16 x 2 x 70mm, Cl 10.9

4шт.

18

150814A1

WASHER,17mm ID x 32mm OD x 4.5mm Thk

W 16

4шт.

Выбрано товаров: 19