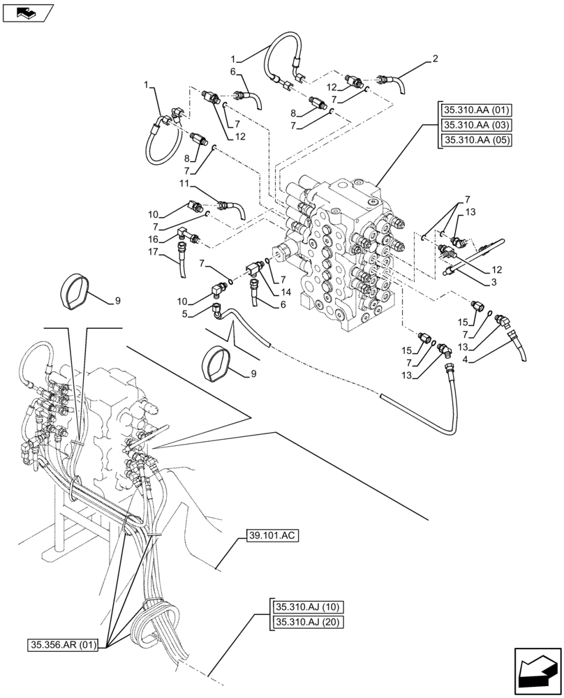
Запчасти Case CX75C SR (35.310.AJ[05]) - CONTROL VALVE HOSES (35) - HYDRAULIC SYSTEMS

Схема запчастей Case CX75C SR - (35.310.AJ[05]) - CONTROL VALVE HOSES (35) - HYDRAULIC SYSTEMS
1
11
14
7
35.310.aa (01)
13
7
7
7
15
7
13
6
7
7
17
39.101.ac
35.310.aa (05)
35.310.aj (10)
8
10
8
15
7
2
10
35.356.ar (01)
9
9
12
7
12
7
35.310.aa (03)
1
6
12
5
35.310.aj (20)
13
3
16
4
FIT
1:1
100%

Артикул

Название

Примечание

Количество

1

KHJ28120

HOSE

2шт.

2

KHJ20470

HOSE

1шт.

3

KHJ1387

HYDRAULIC HOSE,6.35 mm ID x 320.00 mm

1шт.

4

KHJ2063

HOSE

1шт.

5

KHJ20490

HOSE

1шт.

6

KHJ2070

HOSE

2шт.

7

154467A1

O-RING,10.8mm ID x 2.4mm Width

11шт.

8

162554A1

FITTING

2шт.

9

150496A1

MOUNTING CLIP

2шт.

10

150913A1

ELBOW,90 Degree, 1/4" O-Ring x 1/4"

2шт.

11

KHJ2069

HOSE

1шт.

12

159497A1

TEE

2шт.

13

150933A1

ELBOW

3шт.

14

KHJ2773

TEE

1шт.

15

KHJ13640

STUD

2шт.

16

KHJ1178

ELBOW

1шт.

17

KHJ2172

HOSE

1шт.

Выбрано товаров: 17