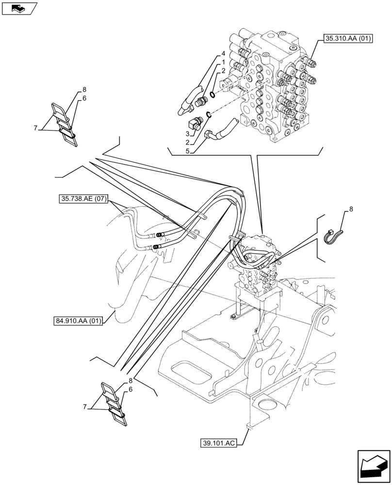
Запчасти Case CX75C SR (35.310.AJ[17]) - VAR - 461025 - CONTROL VALVE HOSE (35) - HYDRAULIC SYSTEMS

Схема запчастей Case CX75C SR - (35.310.AJ[17]) - VAR - 461025 - CONTROL VALVE HOSE (35) - HYDRAULIC SYSTEMS
3
1
39.101.ac
4
2
6
7
35.738.ae (07)
home
7
35.310.aa (01)
8
2
8
84.910.aa (01)
5
6
8
FIT
1:1
100%

Артикул

Название

Примечание

Количество

1

151650A1

HYD CONNECTOR,1/2" NPT O-Ring x 1/2" NPT

1шт.

2

154487A1

O-RING

2шт.

3

150919A1

ELBOW,90 Degree, 1/2" O-Ring x 1/2"

1шт.

4

KAJ18740

HYDRAULIC HOSE

1шт.

5

KAJ18750

HYDRAULIC HOSE

1шт.

6

KAJ18850

PLATE

6шт.

7

KAJ18860

PLATE

12шт.

8

150071A1

MOUNTING CLIP

7шт.

Выбрано товаров: 8