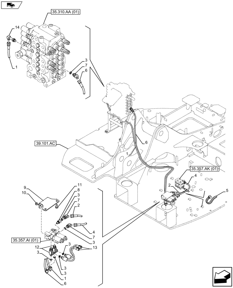
Запчасти Case CX75C SR (35.310.AJ[19]) - VAR - 461025, 461873 - CONTROL VALVE HOSE (35) - HYDRAULIC SYSTEMS

Схема запчастей Case CX75C SR - (35.310.AJ[19]) - VAR - 461025, 461873 - CONTROL VALVE HOSE (35) - HYDRAULIC SYSTEMS
13
3
4
2
8
7
3
7
2
1
39.101.ac
5
3
11
6
9
10
12
6
4
1
35.310.aa (01)
3
35.357.ai (01)
3
1
3
6
35.357.ak (01)
7
3
14
FIT
1:1
100%

Артикул

Название

Примечание

Количество

1

KHJ2166

HOSE,6.3mm ID x 2300mm L

1шт.

2

KHJ2342

HOSE

1шт.

3

154467A1

O-RING,10.8mm ID x 2.4mm Width

7шт.

4

KHJ2045

HOSE

1шт.

5

150496A1

MOUNTING CLIP

1шт.

6

KHJ2247

HOSE

1шт.

7

150933A1

ELBOW

3шт.

8

KHJ25100

STUD

1шт.

9

KHJ28770

BRACKET

1шт.

10

166345A1

BOLT

2шт.

11

166351A1

BOLT,Sems, M10 x 20mm

2шт.

12

167666A1

FITTING

2шт.

13

KHR21500

PRESSURE SWITCH

2шт.

14

KHJ1178

ELBOW

1шт.

Выбрано товаров: 14