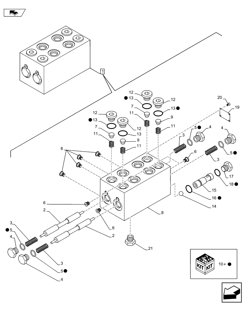
Запчасти Case CX75C SR (35.355.AR) - CUSHION VALVE (35) - HYDRAULIC SYSTEMS

Схема запчастей Case CX75C SR - (35.355.AR) - CUSHION VALVE (35) - HYDRAULIC SYSTEMS
6
10
17
5
10
4
4
10
3
6
13
11
7
8
6
3
18
12
13
10
1
10
5
12
10
11
12
4
14
13
19
10
5
2
3
3
7
9
20
10
15
11
5
6
13
9
21
10
10
11
16
2
12
4
FIT
1:1
100%

Артикул

Название

Примечание

Количество

1

KAJ11831

VALVE, CUSHION

Assy, Incl 2 - 21

1шт.

2

NSS

NOT SOLD SEPARAT

Spool, Incl in 1

2шт.

3

160256A1

SPRING

4шт.

4

160073A1

PLUG

4шт.

5

154474A1

O-RING

Incl in 10

4шт.

6

NSS

NOT SOLD SEPARAT

Plug, Incl in 1

8шт.

7

LJ014670

VALVE PRESSURE RELIE

2шт.

8

NSS

NOT SOLD SEPARAT

Body, Incl in 1

1шт.

9

LJ017930

CHECK VALVE

2шт.

10

LZ012010

KIT

KIT, Incl 5, 16, 18

1шт.

11

LG005960

COMPRESSION SPRING

4шт.

12

LK005550

PLUG

4шт.

13

154467A1

O-RING,10.8mm ID x 2.4mm Width

Incl in 10

1шт.

14

LB011510

BALL

1шт.

15

LR018180

VALVE SEAT

1шт.

16

154462A1

O-RING

Incl in 10

1шт.

17

LK00195

PLUG

1шт.

18

154475A1

O-RING

Incl in 10

1шт.

19

NSS

NOT SOLD SEPARAT

Plate, Incl in 1

1шт.

20

LV000540

SCREW

4шт.

21

LLC0152

PLUG

10шт.

Выбрано товаров: 21