Запчасти Case CX75C SR (55.000.00[02]) - SECTION INDEX - ELECTRICAL SYSTEMS (55) - ELECTRICAL SYSTEMS

Схема запчастей Case CX75C SR - (55.000.00[02]) - SECTION INDEX - ELECTRICAL SYSTEMS (55) - ELECTRICAL SYSTEMS
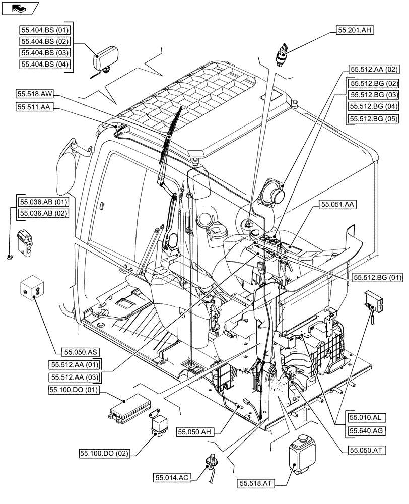
55.050.ah
55.640.ag
55.512.bg (03)
55.201.ah
55.100.do (01)
55.050.at
55.404.bs (01)
55.512.bg (04)
55.512.bg (05)
55.404.bs (03)
55.404.bs (02)
55.050.as
55.512.bg (02)
55.512.aa (01)
55.512.bg (01)
55.512.aa (03)
55.036.ab (01)
55.404.bs (04)
55.051.aa
55.518.at
55.512.aa (02)
55.511.aa
55.014.ac
55.518.aw
55.036.ab (02)
55.010.al
55.100.do (02)
FIT
1:1
100%