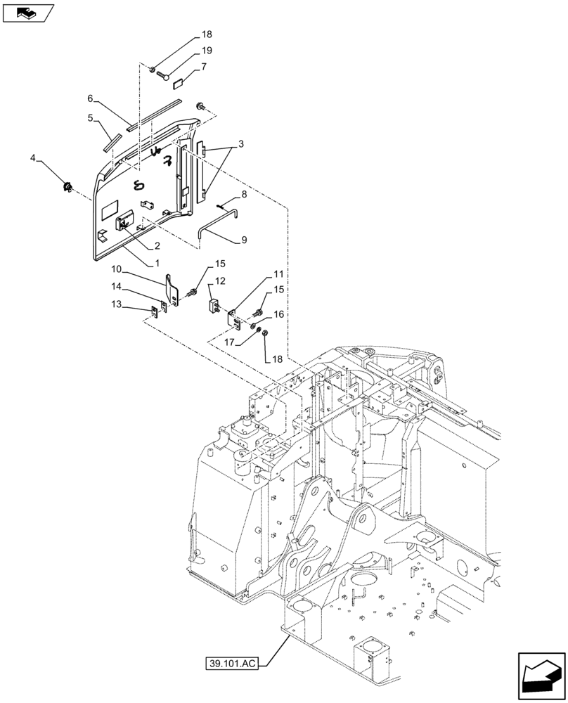
Запчасти Case CX75C SR (90.100.AC [03]) - SIDE PANELS (90) - PLATFORM, CAB, BODYWORK AND DECALS

Схема запчастей Case CX75C SR - (90.100.AC [03]) - SIDE PANELS (90) - PLATFORM, CAB, BODYWORK AND DECALS
6
18
16
18
4
12
10
2
11
39.101.ac
15
14
5
1
15
13
17
3
7
9
8
19
FIT
1:1
100%

Артикул

Название

Примечание

Количество

1

KAN16010Y2

INSPECTION DOOR

1шт.

2

150938A1

LOCK

1шт.

3

KAN3271

HINGE

2шт.

4

KHN24530

LOCK CYLINDER

1шт.

5

HKN0023

SOFT TRIM

1шт.

6

KAN16810

FOAM INSULATION

1шт.

7

KAN15120

PLATE

1шт.

8

153181A1

COTTER PIN

1шт.

9

KRN20910

DOOR STAY

1шт.

10

KAN14900

BRACKET

1шт.

11

KHN12660

SUPPORT

1шт.

12

KRN2098

STOP

1шт.

13

152719A1

SHIM

1шт.

14

158749A1

SHIM

1шт.

15

166347A1

BOLT,Sems, M10 x 30mm

4шт.

16

895-11010

WASHER,11mm ID x 20mm OD x 2mm Thk

2шт.

17

892-11010

LOCK WASHER,M10

2шт.

18

829-1410

NUT,M10 x 1.5, Cl 10.9

3шт.

19

159091A1

STOP

1шт.

Выбрано товаров: 19