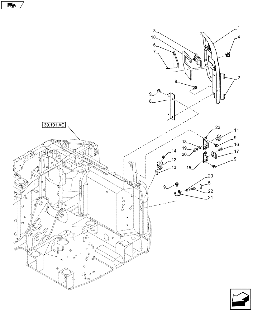
Запчасти Case CX75C SR (90.100.BI) - REAR HOOD (90) - PLATFORM, CAB, BODYWORK AND DECALS

Схема запчастей Case CX75C SR - (90.100.BI) - REAR HOOD (90) - PLATFORM, CAB, BODYWORK AND DECALS
9
9
20
23
1
5
15
22
9
20
10
7
2
4
19
13
39.101.ac
18
12
11
8
3
9
16
17
14
21
6
9
FIT
1:1
100%

Артикул

Название

Примечание

Количество

1

KAN14401Y2

INSPECTION DOOR

1шт.

2

KAN3271

HINGE

2шт.

3

150938A1

LOCK

1шт.

4

KHN24530

LOCK CYLINDER

1шт.

5

KRN17430

RUBBER PAD

1шт.

6

KRN20910

DOOR STAY

1шт.

7

153181A1

COTTER PIN

1шт.

8

KAN14740

BRACKET

1шт.

9

KHN24890

BOLT

1шт.

10

KAN17510

INSULATION

1шт.

11

KRN2098

STOP

1шт.

12

152772A1

HOLDER

1шт.

13

KHN3548

PLATE

1шт.

14

166351A1

BOLT,Sems, M10 x 20mm

2шт.

15

KAN14750

BRACKET

1шт.

16

166052A1

BOLT

1шт.

17

KAN14770

BRACKET

1шт.

18

895-11010

WASHER,11mm ID x 20mm OD x 2mm Thk

2шт.

19

892-11010

LOCK WASHER,M10

2шт.

20

829-1410

NUT,M10 x 1.5, Cl 10.9

3шт.

21

KAN15640

BRACKET

1шт.

22

159091A1

STOP

1шт.

23

KAN14760

BRACKET

1шт.

Выбрано товаров: 23