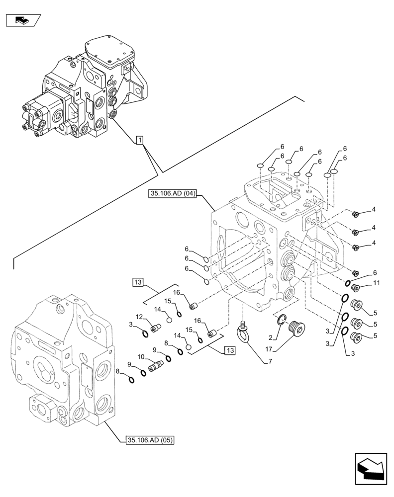
Запчасти Case CX75C SR (35.106.AD[02]) - VAR - 461863 - PUMP (35) - HYDRAULIC SYSTEMS

Схема запчастей Case CX75C SR - (35.106.AD[02]) - VAR - 461863 - PUMP (35) - HYDRAULIC SYSTEMS
6
6
11
6
13
1
7
2
10
6
35.106.ad (05)
5
3
14
12
35.106.ad (04)
5
8
3
16
15
6
3
6
9
14
3
9
8
17
16
13
4
6
4
6
6
15
6
4
6
5
FIT
1:1
100%

Артикул

Название

Примечание

Количество

1

KAJ11810

HYDRAULIC PUMP

Assy, Incl 2 - 17

1шт.

2

154487A1

O-RING

1шт.

3

154467A1

O-RING,10.8mm ID x 2.4mm Width

4шт.

4

LK006140

PLUG

4шт.

5

LK00015

PLUG

3шт.

6

154455A1

O-RING

12шт.

7

126R010SR

EYEBOLT

1шт.

8

153943A1

BACK-UP RING

2шт.

9

154451A1

O-RING

2шт.

10

LR021260

PIPE

1шт.

11

LK00003

PLUG

1шт.

12

LH006630

SPACER

1шт.

13

LR014460

SPRING SEAT

Assy, Incl 14 - 16

2шт.

14

NSS

NOT SOLD SEPARAT

Ball, Incl in 13

2шт.

15

NSS

NOT SOLD SEPARAT

Seat, Incl in 13

2шт.

16

NSS

NOT SOLD SEPARAT

Stopper, Incl in 13

2шт.

17

LK00038

PLUG

1шт.

Выбрано товаров: 17