Запчасти Case CX75C SR (35.106.AD[04]) - VAR - 461863 - PUMP (35) - HYDRAULIC SYSTEMS

Схема запчастей Case CX75C SR - (35.106.AD[04]) - VAR - 461863 - PUMP (35) - HYDRAULIC SYSTEMS
14
37
28
18
35
29
24
27
5
15
16
41
30
10
20
11
31
23
47
45
1
39
22
43
19
7
40
3
2
11
13
36
12
12
17
21
42
6
7
44
32
25
33
9
46
4
8
26
34
38
FIT
1:1
100%

Артикул

Название

Примечание

Количество

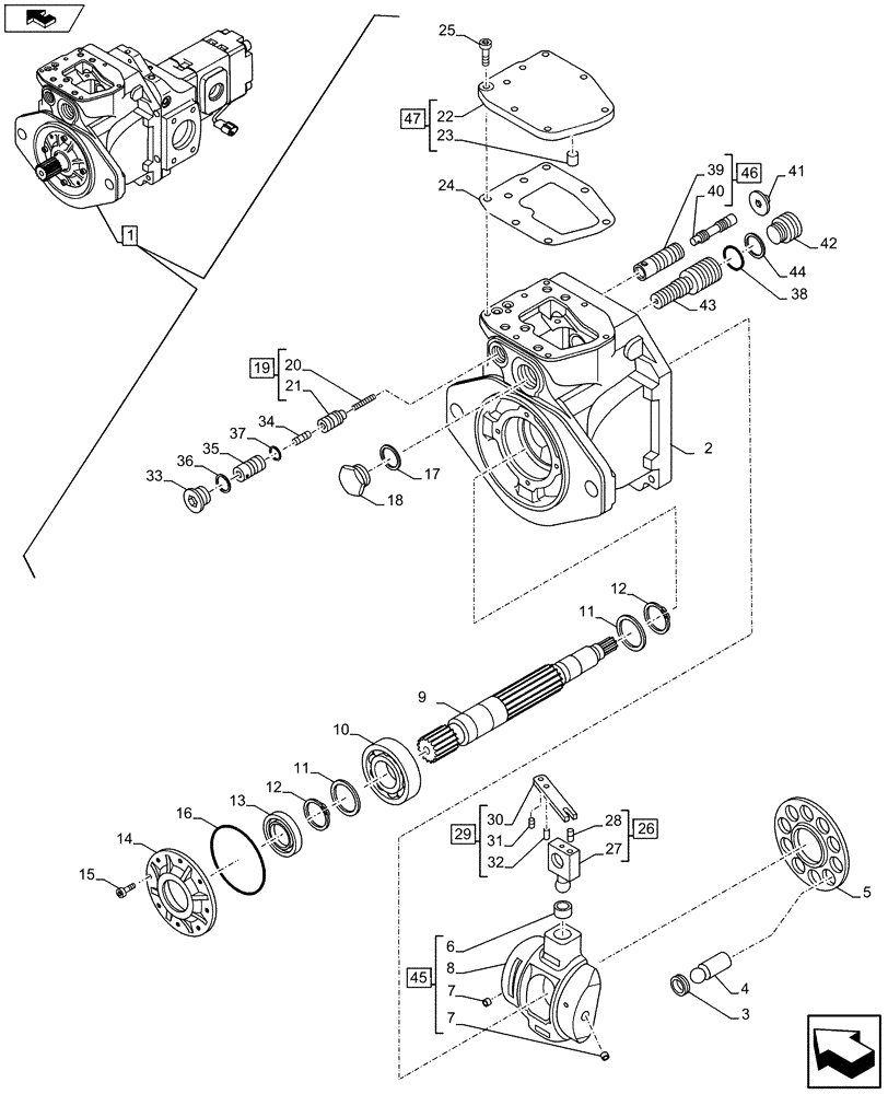
1

KAJ11810

HYDRAULIC PUMP

Assy, Incl 2 - 46

1шт.

2

LJ020650

PUMP

1шт.

3

NSS

NOT SOLD SEPARAT

Piston, Incl in 1

10шт.

4

NSS

NOT SOLD SEPARAT

Shoe, Incl in 1

10шт.

5

LR021250

PLATE

1шт.

6

NSS

NOT SOLD SEPARAT

Bush, Incl in 1

1шт.

7

LK00003

PLUG

2шт.

8

NSS

NOT SOLD SEPARAT

Swash Plate, Incl in 45

1шт.

9

LB015720

DRIVE SHAFT

1шт.

10

LB015740

BALL

1шт.

11

TH00018

SPACER

2шт.

12

800-1135

SNAP RING,M35, Ext

2шт.

13

LE017010

OIL SEAL

1шт.

14

TW00035

SEAL

1шт.

15

862-6020

HEX SOC SCREW,M6 x 20mm, Cl 12.9

8шт.

16

154697A1

O-RING

1шт.

17

154503A1

O-RING

1шт.

18

LK007020

PLUG

1шт.

19

LJ020630

PISTON

Assy, Incl 20, 21

1шт.

20

NSS

NOT SOLD SEPARAT

Piston, Incl in 19

1шт.

21

NSS

NOT SOLD SEPARAT

Case, Incl in 19

1шт.

22

NSS

NOT SOLD SEPARAT

Top Cover, Incl in 47

1шт.

23

NSS

NOT SOLD SEPARAT

Pin, Incl in 47

1шт.

24

LE022060

PACKING

1шт.

25

862-8025

HEX SOC SCREW,M8 x 25mm, Cl 12.9

8шт.

26

LA014950

PIN

Assy, Incl 27, 28

1шт.

27

NSS

NOT SOLD SEPARAT

Pin, Incl in 26

1шт.

28

NSS

NOT SOLD SEPARAT

Pin, Incl in 26

1шт.

29

LF000630

LEVER

Assy, Incl 30, 31

1шт.

30

NSS

NOT SOLD SEPARAT

Lever, Incl in 29

1шт.

31

NSS

NOT SOLD SEPARAT

Pin, Incl in 29

1шт.

32

NSS

NOT SOLD SEPARAT

Pin, Incl in 29

1шт.

33

LK00038

PLUG

1шт.

34

LJ020670

PISTON

1шт.

35

LW006820

BODY

1шт.

36

154487A1

O-RING

1шт.

37

160652A1

O-RING

1шт.

38

LE013450

O-RING

1шт.

39

NSS

NOT SOLD SEPARAT

Sleeve, Incl in 46

1шт.

40

NSS

NOT SOLD SEPARAT

Spool, Incl in 46

1шт.

41

LR021270

SPRING SEAT

1шт.

42

LG007850

STOP

1шт.

43

LJ020660

PISTON

1шт.

44

153991A1

BACK-UP RING

1шт.

45

LR021240

SWASH PLATE

Assy, Incl 6 - 8

1шт.

46

LJ020640

SPOOL

Assy, Incl 39, 40

1шт.

47

LW006800

COVER

Assy, Incl 22, 23

1шт.

Выбрано товаров: 47