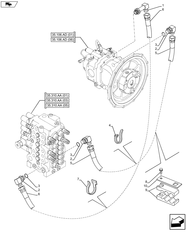
Запчасти Case CX75C SR (35.106.AO [03]) - PUMP OIL LINES FITTING (35) - HYDRAULIC SYSTEMS

Схема запчастей Case CX75C SR - (35.106.AO [03]) - PUMP OIL LINES FITTING (35) - HYDRAULIC SYSTEMS
35.310.aa (01)
3
35.106.ad (01)
2
35.106.ad (06)
9
4
35.310.aa (03)
10
3
1
3
6
5
2
7
5
35.310.aa (05)
6
2
8
FIT
1:1
100%

Артикул

Название

Примечание

Количество

1

KHJ22650

ELBOW

1шт.

2

KHJ0344

ELBOW

3шт.

3

154503A1

O-RING

3шт.

4

150496A1

MOUNTING CLIP

1шт.

5

KAJ14750

HYDRAULIC HOSE

1шт.

6

KAJ14760

HYDRAULIC HOSE

1шт.

7

KHJ2023

HOSE CLAMP

1шт.

8

166347A1

BOLT,Sems, M10 x 30mm

1шт.

9

KAJ14730

CLAMP

2шт.

10

KAJ14720

PLATE

1шт.

Выбрано товаров: 10