Запчасти Case CX80C (55.000.00[02]) - SECTION INDEX - ELECTRICAL SYSTEMS (55) - ELECTRICAL SYSTEMS

Схема запчастей Case CX80C - (55.000.00[02]) - SECTION INDEX - ELECTRICAL SYSTEMS (55) - ELECTRICAL SYSTEMS
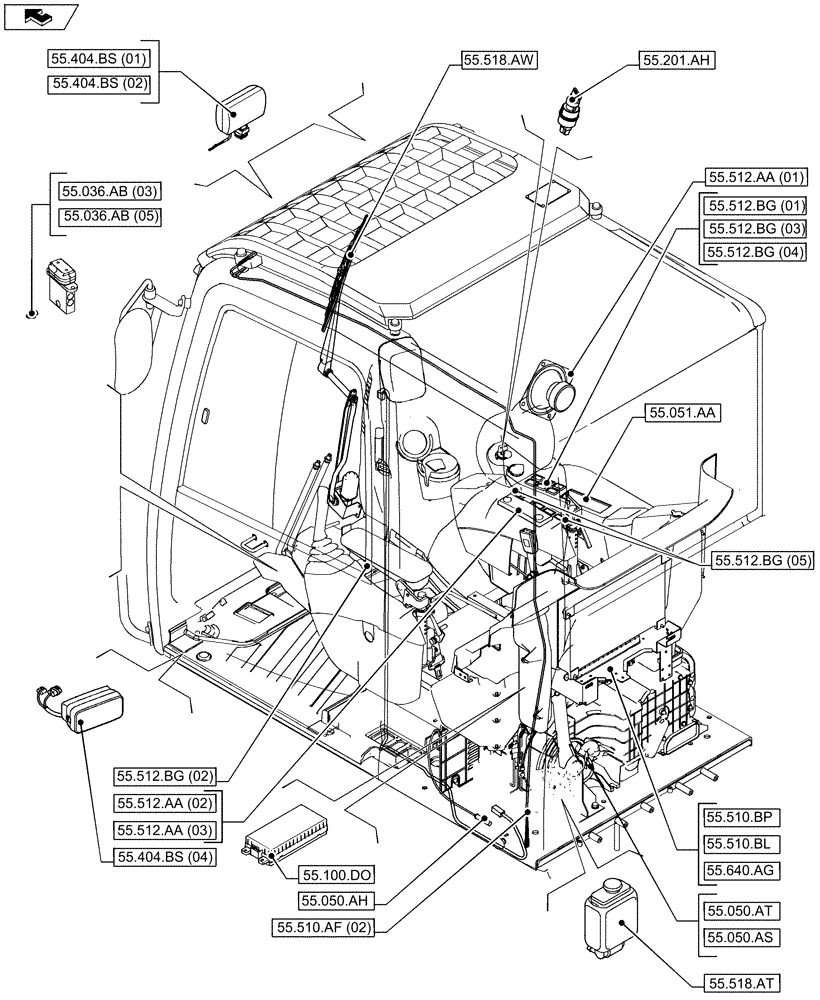
55.404.bs (04)
55.050.as
55.036.ab (05)
55.510.af (02)
55.512.bg (04)
55.512.bg (03)
55.051.aa
55.510.bp
55.100.do
55.510.bl
55.036.ab (03)
55.404.bs (02)
55.512.bg (02)
55.512.bg (05)
55.512.aa (02)
55.050.ah
55.518.aw
55.404.bs (01)
55.512.aa (01)
55.050.at
55.640.ag
55.518.at
55.201.ah
55.512.bg (01)
55.512.aa (03)
FIT
1:1
100%