Запчасти Case CX80C (90.000.00[04]) - SECTION INDEX - PLATFORM, CAB, BODYWORK AND DECALS (90) - PLATFORM, CAB, BODYWORK AND DECALS

Схема запчастей Case CX80C - (90.000.00[04]) - SECTION INDEX - PLATFORM, CAB, BODYWORK AND DECALS (90) - PLATFORM, CAB, BODYWORK AND DECALS
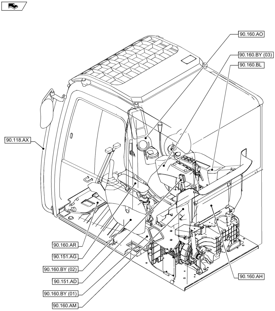
90.160.ar
90.160.by (01)
90.118.ax
90.160.bl
90.160.by (03)
90.160.ah
90.160.am
90.160.ao
90.151.ad
90.151.ag
90.160.by (02)
FIT
1:1
100%